
portant;">
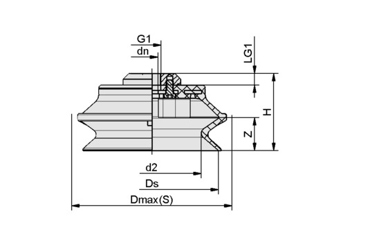
Attribute | Value |
---|---|
dn | 13.5 mm |
d2 | 111 mm |
Dmax(S) | 177 mm |
Ds | 150 mm |
G1 | G1/2"-IG |
H | 88.5 mm |
LG1 | 13 mm |
Z (Stroke) | 37.5 mm |
portant;">Note: Acceptable dimensional tolerances for rubber parts concerning to DIN ISO 3302-1 M3
portant;">
Attribute | Value |
---|---|
Suction force | 570 N |
Pull-off force | 1,000 N |
Volume | 800 cm³ |
Curve radius (min) (convex) | 250 mm |
Hose diameter (empf.) d | 12 mm |
Size | 150 |
Nipple family | N 010 |
Suction cup material | Silicone SI |
Material hardness [Shore A] | 70 |
Weight | 801.5 g |
Product family | TGAS |
Number of folds | 1.5 |
portant;">Note: Suction force: The specified suction forces are theoretical values at a vacuum of -0.6 bar and with a smooth, dry workpiece surface - they do not include a safety factor Hose diameter: The recommended hose diameter refers to a hose length of approx. 2 m