| Attribute | Value |
|---|---|
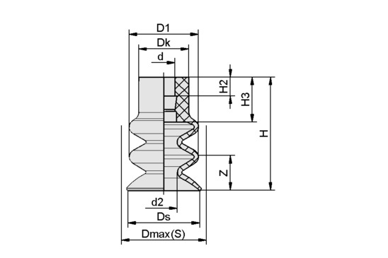
| d | 4.5 mm |
| d2 | 5 mm |
| D1 | 12 mm |
| Dk | 10 mm |
| Dmax(S) | 13 mm |
| Ds | 12 mm |
| H | 21 mm |
| H2 | 3.8 mm |
| H3 | 6.5 mm |
| Z (Stroke) | 7 mm |
| Attribute | Value |
|---|---|
| Suction force | 1.18 N |
| Pull-off force | 3.5 N |
| Volume | 0.747 cm³ |
| Curve radius (min) (convex) | 12.5 mm |
| Size | 12 |
| Nipple family | N 016 |
| Number of folds | 2.5 |
| Suction cup material | High temp material HT1 |
| Material hardness [Shore A] | 60 |
| Weight | 1.1 g |
| Product family | TGB |







