PFTN5.0-NBR-55-M5-IG抗静电圆形真空吸盘,产品编码为100026,适用于多种工件搬运作业的真空吸盘。
| Attribute | Value |
|---|---|
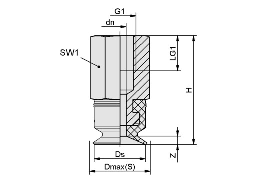
| dn | 1.5 mm |
| Dmax(S) | 5.5 mm |
| Ds | 5 mm |
| G1 | M5-IG |
| H | 16.5 mm |
| LG1 | 5.5 mm |
| SW1 | 8 mm |
| Z (Stroke) | 0.9 mm |
Note: Acceptable dimensional tolerances for rubber parts concerning to DIN ISO 3302-1 M3
| Attribute | Value |
|---|---|
| Suction force | 0.75 N |
| Volume | 0.005 cm³ |
| Curve radius (min) (convex) | 7.5 mm |
| Hose diameter (empf.) d | 2 mm |
| Size | 5 |
| Number of folds | 0 |
| Suction cup material | Nitrile rubber NBR-antistat |
| Material hardness [Shore A] | 55 |
| Weight | 1.4 g |
| Product family | PFTN |
Note: Suction force: The specified suction forces are theoretical values at a vacuum of -0.6 bar and with a smooth, dry workpiece surface - they do not include a safety factor Hose diameter: The recommended hose diameter refers to a hose length of approx. 2 m




通过认证 

