
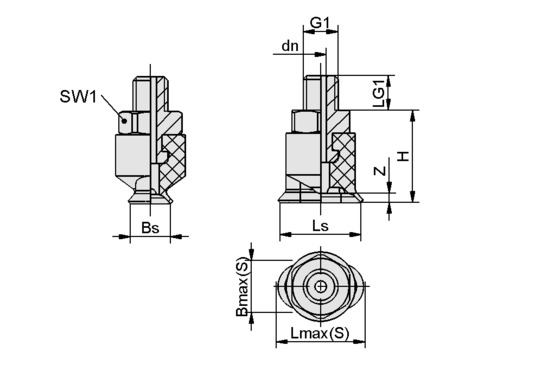
Attribute | Value |
---|---|
Bmax(S) | 4.5 mm |
Bs | 3.5 mm |
dn | 1 mm |
G1 | M3-AG |
H | 8 mm |
LG1 | 3 mm |
Lmax(S) | 7.5 mm |
Ls | 7 mm |
SW1 | 5 mm |
Z (Stroke) | 0.8 mm |
Note: Acceptable dimensional tolerances for rubber parts concerning to DIN ISO 3302-1 M3
Attribute | Value |
---|---|
Suction force | 1 N |
Volume | 0.029 cm³ |
Curve radius (min) (convex) | 3 mm |
Hose diameter (empf.) d | 2 mm |
Dimensions (LxB) | 7 x 3.5 |
Number of folds | 0 |
Suction cup material | Nitrile rubber NBR |
Material hardness [Shore A] | 60 |
Weight | 2 g |
Product family | TEWN |
Note: Suction force: The specified suction forces are theoretical values at a vacuum of -0.6 bar and with a smooth, dry workpiece surface - they do not include a safety factor Hose diameter: The recommended hose diameter refers to a hose length of approx. 2 m