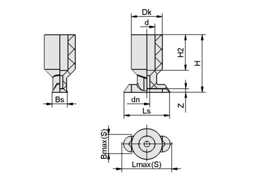
| Attribute | Value |
|---|---|
| Bmax(S) | 5.5 mm |
| Bs | 4.6 mm |
| d | 4.5 mm |
| d1 | 6 mm |
| dn | 1.2 mm |
| Dk | 8.5 mm |
| Lmax(S) | 15.5 mm |
| Ls | 14.6 mm |
| H | 12 mm |
| H2 | 3 mm |
| H3 | 5.5 mm |
| Z (Stroke) | 0.7 mm |
| Attribute | Value |
|---|---|
| Suction force | 3.1 N |
| Dimensions (LxB) | 15 x 5 |
| Suction cup material | Silicone SI |
| Material hardness [Shore A] | 60 |
| Weight | 0.5 g |
| Number of folds | 0 |
| Product family | TEWN |







