摘要:反熔丝器件编程需要专门的编程器。针对国内某反熔丝器件,本文介绍了以微处理器STM32F103ZET6为核心的反熔丝器件编程器的设计。该编程器主要由通信电路模块和反熔丝器件编程电路模块组成。通信电路模块包括JTAG程序下载调试电路、RS232串口通信电路;反熔丝器件编程电路模块包括数模转换电路、信号放大电路、输出缓冲电路、电流检测电路。该编程器结构简单、成本低廉,用户界面友好。实际编程实验表明,该编程器可高效地实现对反熔丝器件的各项编程功能。
关键词:反熔丝器件;编程器;STM32F103ZET6;测试
反熔丝具有非易失性、抗辐射性、高可靠性、高保密性[1]等优点,在射频识别、密钥存储芯片、卫星以及航空航天等领域获得广泛应用。
目前,与反熔丝相关的技术主要掌握在西方发达国家手中,我国相对来说处于落后地位。反熔丝器件主要依赖于进口,编程测试也需要购买国外大公司昂贵的设备。因此,必须走自主创新的道路,研制出具有自主知识产权的反熔丝器件,开发出相应的编程设备,逐步缩短差距。针对国内设计的某反熔丝器件,本文提出了一种以微处理器STM32F103ZET6为核心的反熔丝器件编程器,具有以下几个特点:通过RS232串口与计算机通信,利用友好的图形用户界面提供自动化、高效编程方式;提供JTAG程序下载调试接口,具有良好的兼容性,通过升级软件可对多种反熔丝器件编程;反熔丝器件编程电路产生可调编程电压,为反熔丝器件提供最佳编程电压环境。
1 系统总体设计
该编程器系统总体结构如图1所示,整个系统分为计算机和编程器两个部分。在对反熔丝器件编程进行的过程中,计算机产生编程控制指令控制编程器对反熔丝器件进行编程。待编程数据存储在Hex文件中,在上位机软件中通过加载Hex文件即可自动高效地将编程数据烧录到反熔丝器件中。读校验指令用于校验反熔丝器件中已烧录的数据是否与Hex文件中的数据一致。此外,编程器还将编程状态以及编程结果反馈回计算机,并在计算机上显示出来,实时监控编程过程,一旦出现故障,可及时进行故障排除。

图1 系统总体结构图
Fig.1 Structure diagram of the system
2 系统硬件设计与实现
该编程器系统硬件结构如图2所示,其系统硬件结构可以分成两个部分,一部分是通信电路模块,另一部分是反熔丝器件编程电路模块。在通信电路模块中,JTAG程序下载调试电路用于给微处理器下载升级软件以及对程序进行在线调试,RS232串口通信电路用于接收上位机指令,反馈下位机工作状态。反熔丝器件编程电路模块主要包括D/A转换电路、信号放大电路、输出缓冲电路和电流检测电路,为反熔丝器件编程提供编程电压,检测编程电流。

图2 系统硬件结构图
Fig.2 Structure diagram of the hardware system
微处理器使用ARM Cortex-M3内核的STM32F103 ZET6,采用Thumb-2指令集获得更高的指令效率和更强的性能,先进的中断处理功能使得处理器对中断事件的响应更迅速,在内核水平上支持节能模式适合低功耗应用要求[2]。
JTAG用于给微处理器下载程序和实现编程器软件的升级,同时还可以直接更改程序再运行仿真实现在线调试,实时跟踪程序,找出程序中的BUG,大大缩短软件开发时间,提高设计效率[3]。
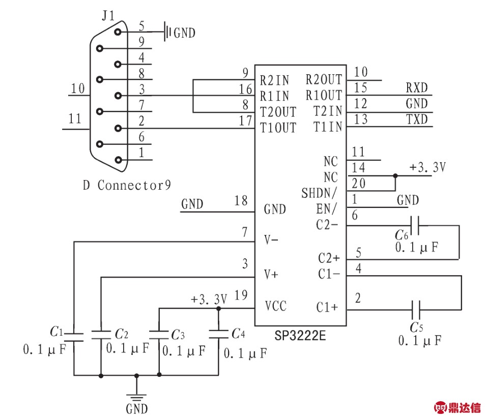
近距离通信时,通过三根线(TXD、RXD、GND)就可以实现计算机与编程器的全双工异步串口通信。在TXD和RXD上:逻辑“1”为-3 V 至-15 V,逻辑“0”为+3 V 至+15 V[4]。 由于本系统为+3.3 V系统,编程器是TTL或CMOS逻辑电平,因此采用电平转换芯片SP3222EEA,该芯片能实现TTL或CMOS逻辑电平与RS-232电平之间的转换。如图4所示为RS232串口通信电路图。

图3 RS232串口通信电路
Fig.3 RS-232 serial communication circuit
反熔丝是一种可编程单元,未编程时,反熔丝相当于一个电容,呈高阻抗状态,高压编程后,反熔丝被击穿,呈低阻抗状态[5],通过这种物理状态上的差异达到稳定存储二进制数值的目的。反熔丝器件编程电路模块产生反熔丝器件编程高压、检测编程电流,具体由四个部分组成:数模(D/A)转换电路、信号放大电路、输出缓冲电路、电流检测电路。
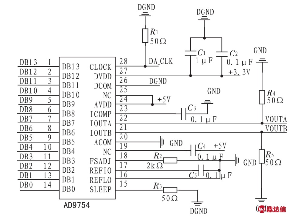
数模转换器能将二进制数值转换为直流电压,该电压信号经放大后为反熔丝器件提供编程电压。在测试阶段可不断改变编程环境调整编程电压,找到最佳编程电压,获得最佳编程效果。数模转换器采用美国ADI公司生产的一款高速电流型输出TxDAC系列14位数模转换器AD9754。AD9754具有125MSPS转换速率,带一个片内1.2 V参考电压V REFIO,数字端口兼容CMOS电平。如图5所示为模数转换电路图。

图4 数模转换电路
Fig.4 Digital to analog conversion circuit
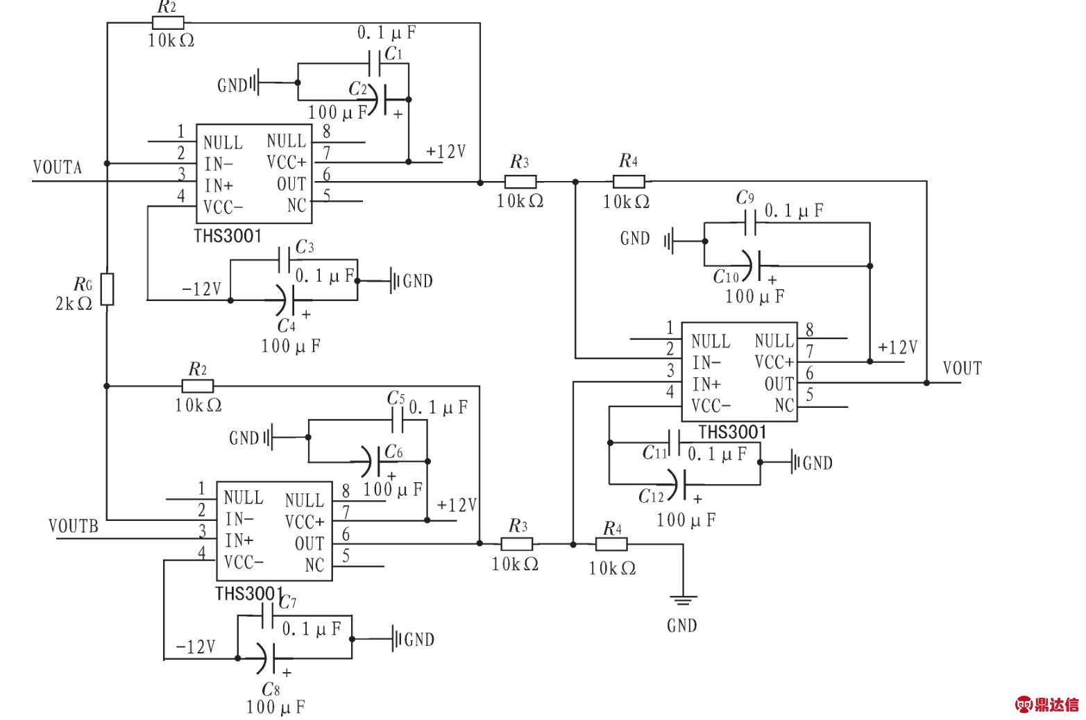
数模转换电路产生的信号源较微弱,不足以直接向反熔丝器件提供编程电压,需要对初始模拟信号进行放大。AD9754输出差分信号,且输出阻抗大于100 kΩ,所以采用经典的三运放构成的仪用放大电路[6]。运放选用TI公司的高速电流反馈型放大器THS3001,该放大器具有420 MHz带宽,6 500 V/μs,适用于高速DAC缓冲。如图6所示为信号放大电路图。
反熔丝单元未被编程前,等效于电容,阻抗非常大。采用TI公司的高电压、大电流驱动大负载的运算放大器OPA544构成电压跟随电路作为输出缓冲,用于阻抗匹配,同时为反熔丝单元击穿提供编程电流。
编程电压Vpp经过一个10Ω的电阻与器件编程电压输入端口串联,电阻两端的电压差经过INA271放大输出,通过计算获得流过电阻上的电流值即编程电流值。编程电流的大小可作为判定编程是否成功的一个依据。反熔丝单元被编程时,正常情况下有4 mA左右的编程电流。INA271是一款由德州仪器(TI)推出的一款电压输出、电流检测监控器,输出电压为输入端口IN-、IN+电压之差的20倍。

图5 信号放大电路
Fig.5 Signal amplification circuit

图6 电流检测电路
Fig.6 Current detecting circuit
3 软件设计与实现
编程数据采用Hex文件格式,计算机通过加载Hex文件将编程数据自动发送给编程器,编程器根据接收到的数据对反熔丝器件编程,实现反熔丝器件的自动高效编程。程序流程图如图9所示。编程器每次只接收一行Hex文件数据,只有当该行数据全部编程结束才向上位机发送空闲指令,通知上位机发送下一行数据,直到整个Hex文件的数据都烧录到反熔丝器件中。程序中加入硬件判错机制,如果对某一单元编程不成功,那么再进行额外两次编程,三次编程均失败则判定出现了异常,强行跳转,并提示用户检查相关故障。
4 编程测试
通过制定测试方案,对国内某反熔丝PROM器件进行了编程测试,验证其基本功能,达到了设计预期指标。以下是对国内某反熔丝PROM器件的测试:1)编程前读测试:编程前,对器件进行读校验,读出数据全为“0”,确保该器件未被编程。2)编程测试:对器件所有反熔丝存储单元写“1”操作,判定编程器可以对所有反熔丝单元编程。如图8所示为对地址单元1000~107F写“1”后读出数据。3)间隔编程测试:对器件间隔编程,验证编程器不会将相邻地址单元误编程。如图8所示为对地址单元1080~10FF间隔编程后读出的结果。

图7 程序流程图
Fig.7 Program flow char
5 结 论
该反熔丝器件编程器,以高性能、低成本的ARM Cortex-M3内核微处理器STM32F103ZET6为核心,外加一些外围电路,产生地址、数据和控制信号,实现反熔丝器件的编程。通过友好的图形用户界面,该编程器提供自动化、高效的编程方式。对国内某反熔丝PROM器件进行了编程测试,实际编程实验表明,该编程器可实现对反熔丝器件的高效编程。

图8 地址单元1000~10FF编程后读出数据
Fig.8 Data of address 1000~10FF after programming



