摘 要:多功能信号发生器对各种专用电子设备的调试至关重要,借助于LabVIEW强大的虚拟仪器设计功能可以很方便地设计出不同类型的波形以满足不同设备的需要。设计了一个具有多路输出各种波形的信号源系统,通过LabVIEW界面可以方便地改变信号的参数,信号经过串口转换电路输送到PCB电路板上。以单片机为控制芯片进行D/A转换和滤波处理后将其输出或者进行光耦合器隔离将其脉冲直接输出。系统操作简单,可以很方便的进行控制,并且通过实际工程验证了这种信号源的可行性和便利性。
关键词:信号发生器;LabVIEW;单片机;D/A转换器
1 引 言
在电子设备的生产和调试过程中,经常会遇到这样的问题:设备的功能验证需要同时提供多路不同的信号源,例如方波、三角波、正弦波、现场传感器模拟输出的信号等[1]。当然也可以同时用多台普通的信号源进行组合调试。但在条件不具备的情况下,则只能用单台信号源进行分批次调试。这样做会使调试设备过于庞大或者调试效率偏低,而且难以获得理想效果。所以,如果能够使设备工作在现场实验信号环境下,此举将大大提高设备的调试效率,并可通过改进设计完善设备的性能。
随着虚拟仪器技术及电子技术的发展,使得实现模拟各种现场信号的虚拟信号发生器成为可能。这种技术将工业现场中各种信号通过PC上的虚拟仪器界面进行控制,并通过PC的接口输出到由单片机控制的多路D/A的不同端口,或者直接由单片机进行输出。整个信号源系统只需要1台PC和1块PCB电路板就可以替代多台信号源的功能。通过设计不同的虚拟仪器界面就可满足不同专用信号发生器的需要。
一般的信号源,如正弦波、方波信号通过调用LabVIEW的标准控件就可以实现[2]。但传感器输出的信号往往是随机信号,要产生这样的信号必须对现场实际的信号进行数学分析,并建立数学模型使其符合概率分布以及信号的范围。
2 系统构成
系统中PC完成信号源的界面操作,界面由LabVIEW编制。PC通过USB接口与PIC18F6520单片机相连,虚线内为外部电路组成。通过LabVIEW界面可以看到所输出的各路信号的波形及参数,整个系统框图如图1所示。

图1 信号源系统构成
PC的USB串行口将各路信号实时输出,通过由CP2101构成的USB-232转换电路使PIC18F6520单片机实时接收信号并且将收到的信号分别进行输出[3]。数字信号通过D/A转换后经滤波输出,而脉冲输出则由单片机的I/O端口直接通过光电隔离后输出。所需信号源的路数可根据需要设定,但必须保证足够的单片机和D/A输出通道。
3 系统硬件电路设计
3.1 PC与单片机的接口电路
借助LabVIEW强大的虚拟仪器的功能,可以输出实际所需的信号源[4]。而PC上输出的信号需要通过单片机的控制才能输出,因此用到USB芯片转换接口电路。本次设计采用的转换芯片是CP2101,该芯片包含一个USB2.0的全速功能控制器、USB收发器、振动器和带有调制解调器控制信号的异步串行总线。它全部功能集成在一个MLP-28封装的IC中,如图2所示。

图2 PC与单片机的接口电路
经过测试,完全满足此次设计的各项需求。LabVIEW软件通过CP2101将信号输出到单片机控制的多路D/A的不同端口,或者直接由单片机进行输出[5-6]。CP2101的引脚D+、D-为数字I/O端口,引脚VBUS连接至一个USB网络的VBUS信号,即该引脚连接USB的VBUS。当连通到一个USB网络时,该引脚上的信号为5V。引脚SUSPEND11为数字输出脚,当CP2101进入USB挂起状态时,该引脚被驱动为低电平,并输入到单片机的内部。引脚TXD、RXD为异步数据的输出与输入,使数据发送到单片机。
3.2 数字信号的输出
单片机输出信号有2种,其中一种为数字信号的直接输出[7]。单片机的I/O端口通过光电隔离后输出脉冲,如图3所示。

图3 单片机脉冲输出接口电路
光电耦合器的输入与输出之间互相隔离,电信号传输具有单向性等特点,因此具有良好的抗干扰能力,所以本次设计单片机输出的脉冲信号采用型号为TLP351的光电耦合器,使单片机输出的信号实现电-光-电的转换[8]。由于要求为单片机直接输出6路信号,所以需要6路TLP351的连接电路。TLP351的3引脚接收从单片机发出的电平后,经内部电气隔离及电平转换,从6引脚输出转换后的电平,产生出相应的电信号。
3.3 模拟信号的输出
单片机除过直接输出的数字信号外,还有经过D/A转换后的模拟信号。单片机输出的数字信号经D/A转换电路和滤波电路后就可以得到含少量谐波的模拟信号。由于单片机输出的信号为数字信号,如果要得到模拟信号,就必须在单片机后面增加D/A转换电路,这样才能满足设计所要求的。本次设计采用的D/A转换器为MX7841,该转换器为8通道14位的电压输出数模转换器。MX7841有三对差分基准输入,其中两对分别连接到2个DAC,第3对连接4个DAC。每一路的DAC有1个输入锁存器和1个DAC锁存器,DAC锁存器中的数据转换为输出电压。

图4 单片机与DA的连接部分电路
图4为单片机与MX7841转换器的连接部分电路。由于MX7841具有14位并行数据总线双缓冲逻辑接口,很大程度上方便了数据传输,提高了传输效率。异步加载输入(/LDAC)传输数据从输入锁存器到DAC锁存器,/LDAC输入控制所有DAC;因此所有的DAC都能够通过使能/LDAC实现同步更新,异步/CLR强制将所有8路DAC输出到各自运放的DUTGND电位。
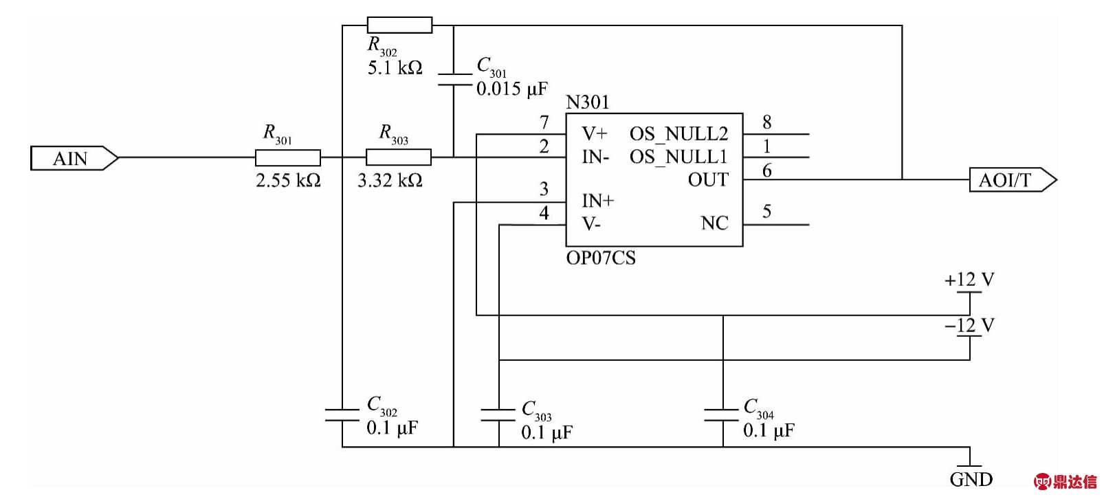
经过D/A转换后,输出的数字信号中还有不同频率的正弦波线性叠加在一起,还需要用滤波电路将不符合要求的谐波成分滤掉,滤波电路允许一定频率范围内的信号成分正常通过,此次设计中运用OP07CS芯片组成的滤波电路如图5所示。

图5 滤波电路
OP07CS芯片的2引脚为反向输入端,接收来自D/A 转换后输出的信号,经芯片内部变换从芯片的6引脚最终输出符合要求的信号。
4 系统软件设计
4.1 单片机系统软件设计
单片机系统程序主要完成通信、D/A转换、滤波处理等功能。程序采用C语言编写,包括数据发送、接收、判断是否进行数据转换。整个程序流程图如图6所示。

图6 单机系统程序流程
4.2 信号发生器的前面板
信号发生器的设计包括前面板和程序框图2部分。LabVIEW的前面板是图形的用户界面,其主要是对输入和输出对象进行控制[8]。在本次设计的前面板上有图形显示、旋钮、开关以及其他控件。波形显示控件主要用于显示输出信号的波形,它的横轴为时间轴,纵轴为电压轴。输出所产生的信号有正弦波信号、方波信号、三角波信号以及调制信号等。该显示器旁边有部分旋钮和数值输入控件,主要是控制信号输入和输出的幅值和频率,以此得到所要求的不同频率和幅值的波形。为了能够方便的观察显示的波形信号,必须设置停止按钮,这样可以很容易的控制和观察静态的信号波形。信号发生器的前面板设计如图7所示。

图7 信号发生器的前面板
4.3 程序框图的设计
在程序框图中放置程序的源代码,并对VI进行编程,以此来操纵前面板上的输入和输出功能[11-12]。程序框图中包含前面板的输入与输出、控件的连线端子、函数及其结构等。
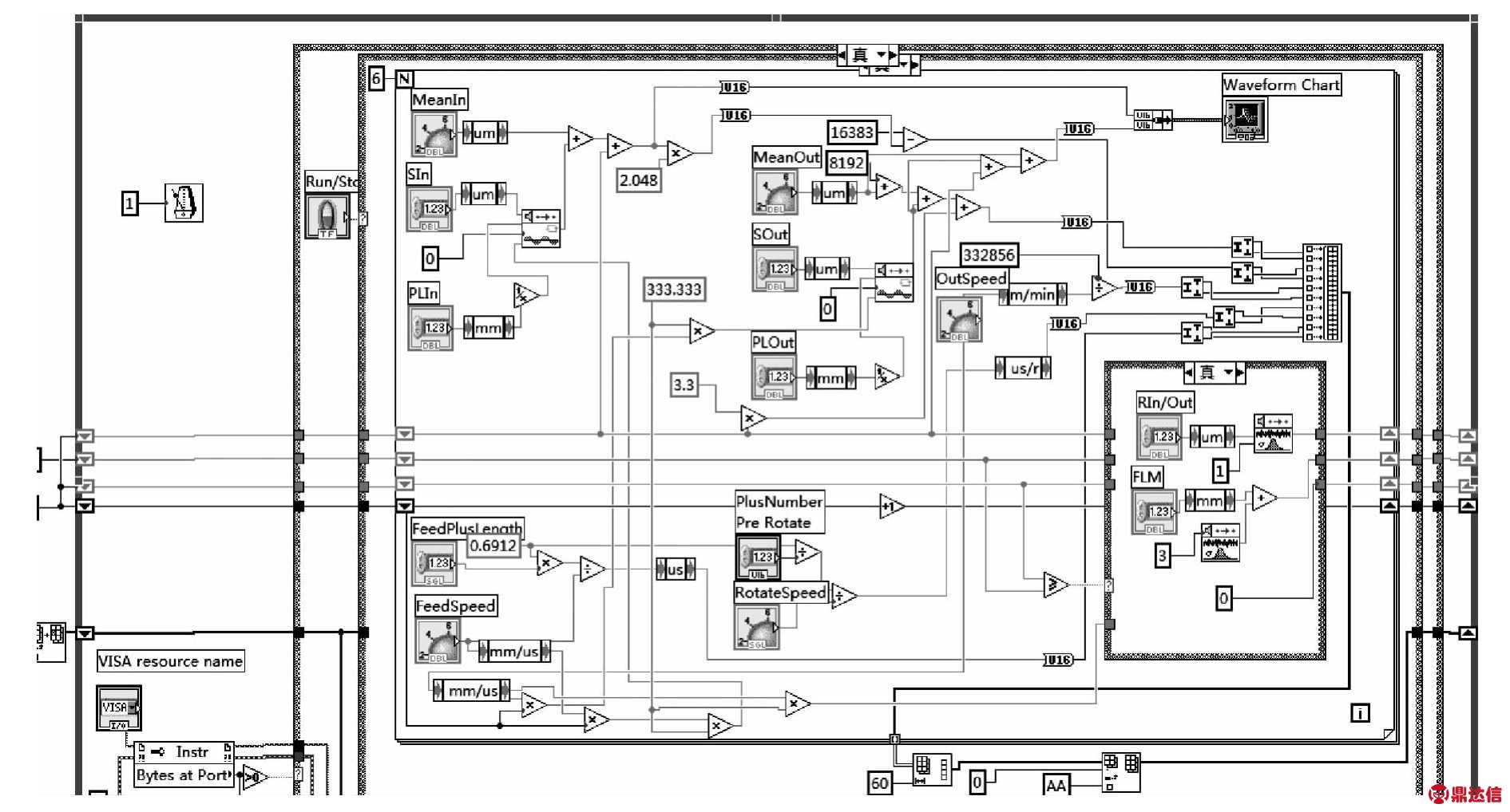
整个程序框图是在一个大的while循环结构内执行的,由while循环结构的停止按键控制整个系统的运行与结束。在while循环结构内嵌3个条件结构和一个For循环,其中在条件结构中有子程序框图,在执行时仅有一个子程序框图运行。整个For循环执行6次即停止运行。部分程序如图8所示。

图8 部分程序
5 实验结果
经过PIC18F6520单片机控制D/A转换与滤波处理后输出波形,其在示波器上显示如图9所示。

图9 正弦波形
通过对LabVIEW前面板上旋钮和数值输入控件的调制[9-10],可以得到如图10所示的任意波形和如图11所示的正弦波波形。

图10 任意条件下的波形

图11 正弦波形
6 结 论
通过对LabVIEW软件的编译和硬件电路的设计,使其产生了不同频率的正弦波等常见的基本函数波形,通过PC的端口输入到由PIC18F6520单片机控制的输出端口,或者输入到由单片机控制的多路D/A的输出端口。整个信号源系统操作简单方便,用户可以根据需求在LabVIEW的前面板上对相关参数进行自定义设定,通过实际工程已经证明了这种信号源的便于操作性和可行性。



