摘要:基于普通CMOS工艺,设计了一款ARINC 429总线接收器。电路可在3.3 V、5 V两种电源电压下工作,能够直接接收单路ARINC 429总线差分信号输入,转化为数字高低电平输出,同时输出受使能信号控制。采用SMIC 0.18 μm HV LDMOS工艺流片,电路经测试验证,电参数达到设计要求,性能稳定可靠,实用性强,已应用于某航空通信显控系统中。
关键词:ARINC 429;基准电路;比较器
1 引言
ARINC 429总线是美国航空无线电公司(ARINC)制定的航空数字总线传输标准,定义了航空电子设备和系统之间相互通信的一种规范[1]。在航空电子综合化系统中,快速、有效的数据传输对整个航空电子系统的性能有很大影响。ARINC 429是航空电子系统之间最常用的通讯总线之一,它符合航空电子设备数据传输标准[2]。而ARINC 429总线接收电路常见于ARINC 429总线系统中,其主要功能是在ARINC 429总线信号及相关外围设备之间起到桥梁作用[3]。可直接接收双极归零制的ARINC 429信号并将其转换为数字信号传送至计算机或其他设备[4]。
本文介绍了一款通用的ARINC 429总线接收器电路设计,电路可接收单路ARINC 429总线差分信号输入,转化为数字电平输出,实现ARINC 429总线与外围设备间(如FPGA等)的通讯。电路基于CMOS工艺设计制作,性能可靠、实用性强[5]。
2 电路整体结构和功能分析
本文设计的ARINC 429总线接收器由比较电压产生电路、差分电压比较电路及驱动电路组成,如图1所示。
比较电压产生电路内含基准模块与小型LDO模块,为差分接收电路提供两个不同的比较电压Vref1、Vref2;ARINC 429总线差分输入信号通过比较器电路与Vref1、Vref2进行对比,转化为数字信号输出。同时,使能控制信号TESTA、TESTB,可有效控制OUTA、OUTB输出。

图1 总体电路框图
3 关键模块设计
3.1基准电路
基准电压产生电路如图2所示,由启动电路、运放以及带隙基准3部分组成。MN1、MP1、MP2、R4组成启动支路,同时为运放电路OP提供偏置电压,运放电路有效地保证了带隙基准部分A、B两点电路相等。Q1、Q2、R3、R2、R1组成带隙基准核心部分,三极管Q2发射极面积为Q1发射极的8倍,整体电路在C点产生带隙基准电压[6]。

图2 基准电路
在输出支路上,输出电压Vref为:
基准电压设计值为1.24 V,通过调节R1及R2、R3的阻值,可以得到随温度变化较小的带隙基准电压[5]。
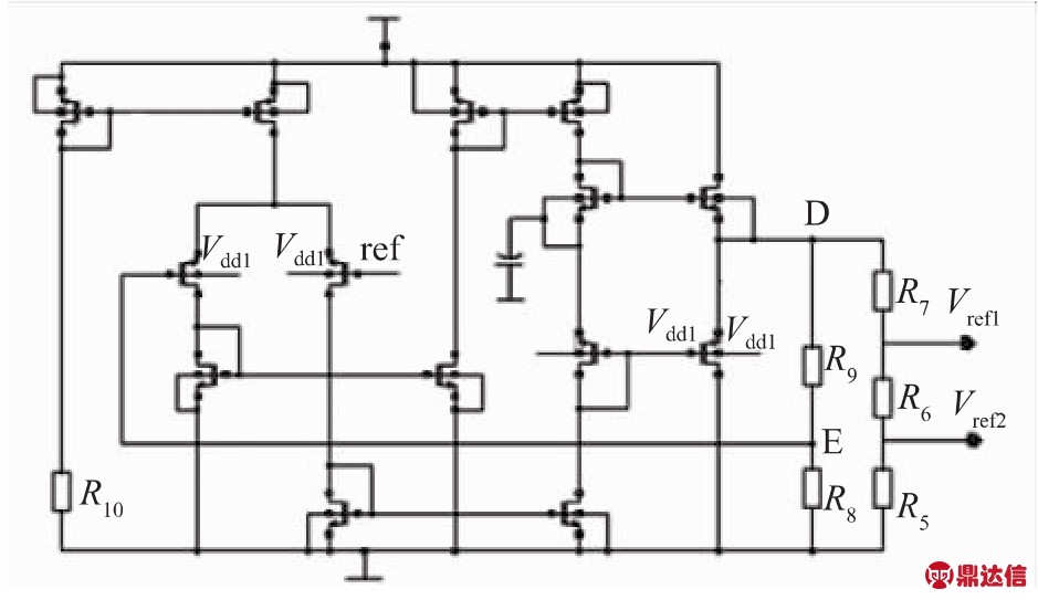
3.2比较电压产生电路
比较电压产生电路,为简单的LDO电路结构,如图3所示。在D点产生LDO电压输出,同时E点电压与基准相同,VD=Vref(R9+R8)/R8。同时,R5、R6、R7为分压电压,可以通过调整其阻值,得到不同的分压Vref1、Vref2,为后继接收器电路提供两个比较电压,同时,调整分压电阻R6阻值,可以调整差分输入电压的迟滞电压。

图3 比较电压产生电路
3.3差分接收电路
差分接收电路结构如图4所示。ARINC 429总线差分输入信号INA、INB通过电阻分压网络以及初级比较器电路在E点、F点被转化为随输入变化的正电压信号。在电压比较电路中,正电压信号在上升及下降过程中分别与Vref1、Vref2进行比较,从而在比较器输出端产生数字电平翻转信号。同时,数字电平输出受TESTA、TESTB使能信号的控制。
4 版图设计与仿真测试验证
4.1版图设计
电路版图设计规则采用SMIC 0.18 μm HV LDMOS工艺设计规则进行设计,芯片面积1.05 mm× 2.0 mm。如图5所示。
4.2仿真分析
选用SMIC 0.18 μm HV LDMOS工艺模型,利用HSPICE仿真软件对所设计电路进行仿真验证,在电源电压VCC为3.0~5.5 V、全温T为-55~125℃范围内,电路均能正常工作。下边以电源电压VCC=5 V的仿真情况为例,对仿真结果进行说明。
图6是对基准输出Vref温度特性的仿真波形,从图中可以看出,在-55~125℃温度范围内,输出Vref电压变化范围为1.2455~1.2465 V,电压变化1.0 mV,温漂系数4.5×10-6/℃。
同时,VCC为3.0~5.5 V、全温-55~125℃范围内,对两个比较电压Vref1、Vref2进行仿真验证,达到设计要求,其结果如表1所示。
选取差分接收电路做仿真验证。对差分翻转电平及传输延时仿真如图7所示。
从图7中可以看出,当OUTA发生高低翻转时,ARINC 429差分输入电平|VRINA-VRINB|分别为6 V和5 V,迟滞电压为1 V,达到设计要求。

图4 比较器电路结构

图5 电路版图设计

图6 基准电路仿真结果

图7 差分接收电路翻转电压仿真验证
表1 比较电压Vref1、Vref2输出仿真结果

4.3测试验证
所设计电路在SMIC 0.18 μm HV LDMOS工艺线上完成流片,电路功能与电参数达到设计要求。在VCC为3.0~5.5 V、全温T在-55~125℃范围内,电路均能正常工作,接收差分信号,输出数字高低电平。在VCC=5 V时,电参数的实测数据如表2所示。
5 结论
基于普通CMOS工艺,设计了一款适应于ARINC 429总线的接收器电路,电路可接收单路ARINC 429总线差分信号输入,转化为数字电平输出。同时,输出受使能信号控制。电路兼容ARINC 429总线协议。所设计电路在SMIC 0.18 μm HV LDMOS工艺线上完成流片,功能与电参数达到设计要求,并
在整机系统中得到了很好的应用。
表2 电路实测结果




