摘要:采用PIC18F26K20单片机设计一款井口压力计,实现对油井压力信号的采集、显示和存储功能。单片机采用瓦纳技术低功耗管理,可以自动唤醒、运行功耗低,利用熔丝深埋工艺,保密性好。
关键词:井口压力;PIC18F26K20;低功耗

图1 系统结构框图

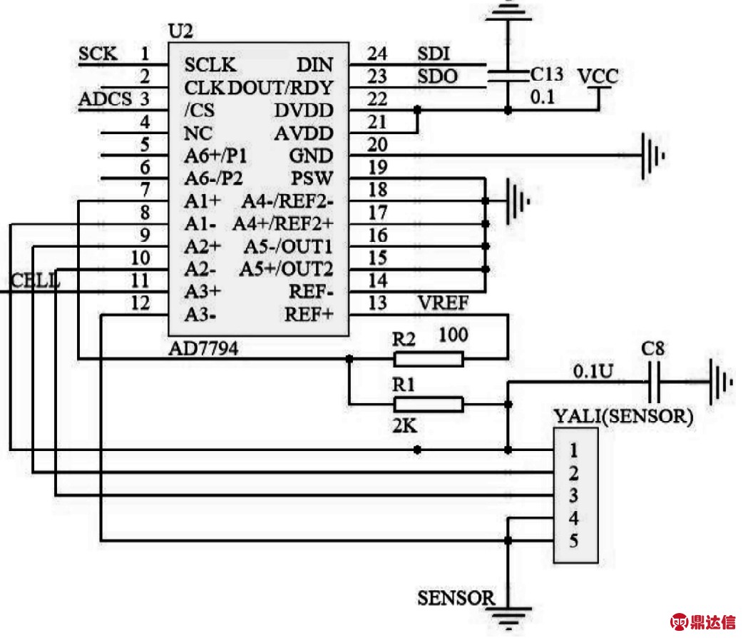
图2 压力信号采集电路
石油是现代社会经济发展不可或缺的重要战略资源,对国民经济的持续稳定发展和国防安全非常重要。我国石油资源相对缺乏,国内很多油井采收率低下,因此提高油井开采寿命和采收率、提升油井生产的测试技术水平成为关键问题。目前,石油行业对数据采集的效率、数据的精准程度要求越来越严格, 井口压力是油井的关键指标,只有检测出井下油层的压力情况,实时掌握井下压力的动态变化,才能优化油井产能,保障安全生产。
1 系统总体方案
本设计以PIC18F26K20芯片的电路为基础,通过软件程序来控制单片机内部的定时器,实现对油井温度、压力等参数的周期性测定。采用电池供电的方式,外接波特率信号发生器,井口压力信号通过内置在压力计内部的扩散硅压阻式芯片采集进来,经A/D转换后传送给处理单元单片机,处理后的数据传送到存储器存储,并通过传输线实时传输,在液晶显示器上显示。总体结构框图如图1所示。
2 硬件电路设计
2.1 PIC18F26K20单片机及其最小系统的设计
PIC18F26K20单片机使用高性能的RISC CPU作为内核芯片,采用NanoWatt XLP的超低功耗管理,可以自动唤醒,利用瓦纳技术降低运行功耗;芯片以保密熔丝来保护代码,用户在烧入代码后熔断熔丝,恢复熔丝的可能性极小,具有极强的保密性。
PIC18F26K20单片机最小系统是在单片机芯片基础上,设计了时钟电路和复位电路,保证了单片机的最基本功能。
时钟电路由两个电容和一个晶振组成,设计采用3.6864M的晶振,来控制单片机运行。
复位电路采用上电复位的方式实现单片机的复位功能。当VDD上升到高于某个门限时,就会在片上产生上电复位脉冲。将/MCLR引脚通过一个电阻连接到VDD。这样可以省去产生上电复位延时通常所需的外部RC元件。设计中复位电路和单片机的液晶显示相连接,保证压力计采集数据后重新进行数据显示。单片机的9、10引脚外接晶振XY1和电容,构成时钟电路。/MCLR引脚提供了触发器件外部复位的方法,将该引脚拉低可以产生复位信号。14、17引脚连接供电电路8、19引脚接地。

图3 系统主程序
2.2 信号采集电路设计
本设计利用压阻式原理采集压力,并通过AD7794转换后,传输到PIC单片机。信号采集电路中包括Keller sweies 8型压力传感器、阻值分别为2K和100R的两个色环电阻、滤波电路、AD7794转换芯片等。压力信号采集电路如图2所示。
2.3 电源电路、存储模块电路、显示电路设计
压力计的电源模块选用REF3125作为基准电压源,TPS76030做稳压芯片,采用特制电池供电的方式。电池输出电压为3.9V,通过电源芯片将3.9V电压转换为2.9V电压,给单片机进行供电。
系统采用AT25DF641存储器进行采集数据的存储工作。存储模块电路引脚与单片机引脚进行连接,由单片机对信号处理后直接传输给存储器AT25DF641,将单片机的2、6、3、5引脚分别和存储器模块的7、8、16、15引脚相连接。
井口压力计液晶显示模块采用的是LCM12864。LCM12864通过调节电压来调节对比度。显示模块是插在电路板的固定插座上面,插座端口直接和单片机进行连接,具有很好的稳定性。
3 程序设计
在Keil uVision4编程环境实现设计了系统主程序及各子程序。
主程序控制着单片机系统按照预定的控制方式运行。系统上电之后,先行对存储器进行初始化操作并擦除残留数据,显示模块初始化,并对传感器进行校准。通过对实际环境中参数的采集,通过AD转换到单片机,并按照指令将数据保存并显示。主程序框图如图3所示。
系统子程序包括初始化程序、数据采集子程序、存储子程序及显示等子程序等。
4 结语
基于PIC18F26K20单片机的油井井口压力计,可以快速、直观、快捷的测量油井温度、压力参数,并进行实时显示和存储;测量精度在0.01左右,完全可以满足对油井温度压力信号的采集分析工作。



