摘 要:自力式减压阀是核电机组常用的压力调节设备之一,其可以根据下游压力控制阀门启闭来维持阀后压力,不需要外部动力。指挥器型自力式减压阀是一种带有先导执行器的减压阀,它更能精准地控制下游压力,能适用于高压差的场合。然而在运行过程中,这类减压阀的缺陷也层出不穷,其中发生最为频繁的是调节性能下降的问题。本文以方家山机组核岛氮气供应系统的氮气减压阀为例,通过对指挥器型自力式减压阀结构、原理的剖析,结合现场故障模式,分析了导致该阀调节性能下降的种种原因,并针对性地提出阀门的改进措施,完成了阀门结构的技术改进,消除了阀门的疑难缺陷。
关键词:自力式减压阀;指挥器;原因;调节性能
1 概述
在方家山机组的运行过程中,其2#机组核岛氮气供应系统中的指挥器型自力式减压曾连续出现调节性能下降的缺陷,主要表现为阀后压力不能稳定,更重要的是卸压箱氮气压力的不稳定,将对设备安全运行造成影响,从而影响核安全。
2 阀门结构原理分析
指挥器型自力式减压阀的结构原理:
指挥器型自力式减压阀的工作原理是:在系统未运行时,主阀阀芯处于关闭状态,先导阀阀芯处于开启状态。当介质从阀前流至主阀阀体时,上游压力P1经减压器进入指挥器B室作为驱动能源使用,通过开启的先导阀阀芯后到达主执行器下室C,推动主执行器膜片,从而带动主阀阀芯开启;随着下游压力的上升,受控的下游压力P2经引压管传送至指挥器检测室A,并在此转换成定压力。当下游压力达到设定值时,先导阀阀芯关闭,此时维持阀门开启的驱动能源切断,随后主执行器下室C的压力通过节流阀释放,最终在弹簧作用下使主阀关闭(指挥器型自力式减压阀的工作原理如图1所示)。

图1 指挥器型自力式减压阀工作原理图
由其工作原理可见,主阀的启闭取决于主执行器中C室的压力,而C室的压力是来自于阀前介质压力P1,那么指挥器在其中的作用就是通过先导阀的开合来打开和切断进入C室的动力源,因此指挥器是主阀的先导控制部件;然而指挥器先导阀阀芯自身的启闭又是通过阀后压力的升降来实现的,指挥器可以看作是一个单独的自力式减压阀,阀后压力反馈至其执行器检测室A后,与弹簧形成一对平衡力,因此整个阀门的定值是通过调整指挥器的弹簧力来设定的。
3 原因分析
3.1 主阀密封面泄漏
首先考虑的就是阀门密封面是否损坏,减压阀密封面的损坏必将造成阀后压力在达到设定值后,不能完全密封,从而使阀后压力的继续上升。那么对于指挥器型自力式减压阀也一样,由于氮气减压阀的用户为封闭的卸压箱,主阀密封面的泄漏必将造成卸压箱压力的上升,直至达到报警值。由于缺陷发生时,方家山机组正处于首循环运行期间,新机组的系统清洁度较低,如系统中的杂质粘附在密封面上时,则极易引起密封面损伤,从而造成内漏。
3.2 指挥器先导阀密封面泄漏
指挥器先导阀的密封形式为软密封,阀芯的密封件为橡胶O型圈,其密封面为锥面密封。由于软密封材质补偿量大,回弹率高,故软密封形式的特点是密封性能好,密封比压不用太高,通常不易泄漏。但如O型圈有老化、裂纹等缺陷或材质问题,导致先导阀不能完全密封,那么就会通过上述两种情况使减压阀阀后压力上升。
因此,指挥器先导阀密封面的泄漏也可能是导致阀门压力上升的原因。
3.3 指挥器膜片泄漏
指挥器的膜片泄漏只要考虑上膜片室即可,下室无压力。指挥器执行器膜片泄漏的可能原因有膜片破损、膜片边缘泄漏或阀杆上部O型圈泄漏。如指挥器执行器膜片的泄漏较大或膜片完全破损,则将导致膜片室压力过低,甚至不能产生压力,那么指挥器阀芯就会在弹簧力作用下保持打开状态,这样阀后压力就会持续上升,但同时阀后介质通过破损的膜片泄漏。由于主阀芯通径大于阀后引压管通径,进气速率大于泄漏速率,阀后压力总体趋势还是偏向上升;如指挥器执行器的膜片室微量泄漏,由于其与阀后管道相通,膜片室压力不会显著下降,但阀后压力会随着阀后介质的微量泄漏而缓慢下降,降至设定值以下时,指挥器先导阀打开,从而主阀打开补压,达到设定值时都关闭,上述现象将会周而复始地出现,长时间内应呈现出压力的上下波动,而不是压力的持续缓慢上升。
4 原因排查与改进措施
4.1 根本原因排查
首先检查膜片泄漏,现场采用检漏液检查。经检查指挥器膜片无泄漏,排除了第一个原因,将原因进一步定位在了主阀和先导阀的密封面上。
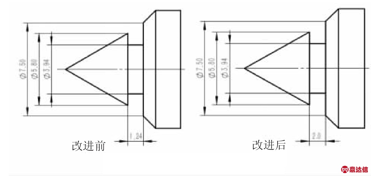
维修人员通过关闭减压阀后的球阀,发现压力表压力迅速上升,证实了主阀或先导阀密封面存在泄漏。由于解体先导阀较解体主阀来说时间短,所受辐射风险小,因此维修组选择先检查先导阀。先导阀的检查只需拆除指挥器膜片螺栓,打开膜片室即可。经过解体发现,指挥器的先导阀密封圈已破损,O型圈一侧的外缘被切削掉一部分。随后维修组对阀芯、阀座尺寸进行了测量,发现阀芯上O型圈线径为1.9mm,而阀芯槽宽仅为1.24mm,线径大于槽宽,导致其不能完全进入槽内,安装后外圆尺寸过大,阀门反复开关后易导致O型圈外侧被阀座边缘切削。由于当时时间紧迫,现场改用线径稍小的O型圈临时替代,再次回装后先导阀暂时无内漏,阀门调节性能恢复正常。可见,引起该阀调节性能下降的直接原因为指挥器的先导阀密封面泄漏。
4.2 阀门结构改进

图2 先导阀阀芯改进前后对照图
维修部门随即将先导阀结构的改进方案提交给设备厂家,设备厂家根据改进方案重新加工了指挥器先导阀的阀芯阀杆组件(先导阀阀芯改进前后的尺寸如图2所示)。在方家山2#机组首次大修期间,维修部门利用大修的隔离窗口,更换了减压阀指挥器先导阀的阀芯阀杆组件,并调整了阀座锥度,反复开关试验后检查O型圈完好。待核岛氮气供应系统恢复后,阀门再次投运时,其密封性良好,调节性能正常,成功解决了方家山2#机组核岛氮气减压阀调节性能下降的疑难缺陷。
结束语
在电站运行期间,阀门的问题层出不穷,且故障的表现形式各异。挥器型自力式减压阀正由于其结构较为复杂,导致其故障发生的原因有很多种,如何抓住重点,找出故障发生的根本原因,是解决问题的关键。在方家山机组核岛氮气系统指挥器型自力式减压阀的故障处理中,维修人员从设备结构、工作原理以及故障表征出发,首先在纷繁复杂的故障原因中筛选出可能导致此类减压阀压力上升的主要因素,并通过现场排查和验证,找出了问题的根本原因,最终针对性地制定了改进措施,将设备缺陷消除。同时,指挥器型自力式减压阀调节性能下降的原因分析和改进,也展现了此类阀门问题的一个完整的分析和处理过程,可以为解决诸多类似的问题提供参考,具有一定的借鉴意义。



