摘要:针对振动环境下背压阀对锁紧回路动态特性的影响,建立节流阀、顺序阀及平衡阀作背压阀的3种锁紧回路的仿真模型,实验验证该仿真模型的正确性。对比分析在基础振动下空载、定载和变载时这3种背压阀对锁紧回路动态特性的影响,得到基础振动以及负载对液压缸的速度影响曲线。研究结果表明:基础振动下定载及负载变化在0~90 kN时,节流阀和顺序阀背压相对平衡阀背压有更强的稳定性,当交变载及变载大于100 kN时,平衡阀的稳定性相对更好。该方法能够为液压锁紧回路背压阀的选型提供一定的参考。
关键词:背压阀;锁紧回路;基础振动;选型;动态特性
液压锁紧回路广泛应用于工程机械液压支撑系统、推进系统,起重运输机械等液压系统中[1]。在液压锁紧回路中为了使回油管路保持一定的压力,让执行机构动作平稳,就需要使用背压阀。为了保证在工作过程中的安全和工效,要求液压锁紧回路具有良好的动态特性。而工程机械在工作过程中由于外部的剧烈冲击和内部脉冲油液的双重作用,使得液压阀元件以及整个液压系统受到剧烈的振动,导致阀芯与阀体产生不正常的相对移动,这将会引起阀芯不正常的开闭及振颤,造成整个回路流量、压力及液压缸活塞的波动加大,影响液压锁紧回路的正常工作[2−3]。根据在回油管路中接入的背压阀和工作环境的不同,锁紧回路的工作性能也有所差异,因此,研究振动环境下液压锁紧回路背压阀的选型方法有必要性。针对液压锁紧回路动态特性的问题,国内外学者进行了大量研究。葛玉柱等[4]介绍了几种常见的液压限速与锁紧回路,并概述了几种回路的优点与存在的不足,并针对各个回路的不足给出了改进措施。张安等[5]针对液压锁紧回路在工作时存在的不稳定的问题进行了建模,分析后认为系统背压设定不合理是导致系统不稳定的重要原因。CASOLI等[6−7]使用理论分析及软件仿真,针对挖掘机的液压回路进行了灰箱建模。仿真结果很好地指导了挖掘机液压系统的参数调试。TANG等[8]使用了传递函数法来研究液压系统的动态特性,建立系统的状态方程,得出系统在时域和频域的动态响应曲线。RITELLI等[9]研究了使用平衡阀做背压的起重臂液压锁紧回路的动态特性,提出了一种系统的研究方法来确定回路最佳参数。胡阳等[10]对几种典型的液压锁紧回路进行仿真,得出了压力位移的时域响应动态曲线。伍小东等[11]对比分析了几种典型锁紧回路位置锁定的可靠性,得出了锁紧回路中不同锁紧元件的开启及保持开启的条件。季清华[12]研究了锁紧回路的动态特性,结果表明改变控制油口直径,液压缸负重,调整弹簧预紧力及弹簧刚度等参数对平衡阀的开启性有显著的影响。梁宏喜[13]研究了液压平衡回路,对使用板式平衡阀及螺纹插装式平衡阀的平衡回路进行了仿真建模与分析。邹伟[14]在考虑了基础振动影响的因素下,对液压缸的动态特性进行了研究;袁坚[15]对基础振动下比例调速阀的动态特性进行了分析,研究显示较大的基础振动对液压元件的动态性能有不容忽视的影响。从以上研究中发现,对锁紧回路动态特性的研究较多,但是集中于考虑系统参数,回路背压等因素的影响,鲜少文献考虑实际工况中振动及变载对其的影响。因此,研究基础振动下背压阀对液压锁紧回路动态特性的影响具有现实意义。
1 原理
图1所示为一种由2个液控单向阀组合而成的液压阀,俗称“液压锁”,在液压缸的进、回油路中都串接液控单向阀。换向阀处于中间位置时,液压泵卸荷,输出油液经换向阀回油箱,由于系统无压力,液压缸左右两腔的油液均不能流动,实现执行机构的双向闭锁。

图1 液控单向阀锁紧回路
Fig. 1 Locking circuit of hydraulic control check valve
1 N/mm背压阀是根据阀的功能而命名的一类可以形成一定压力的阀,其是通过弹簧的弹力来工作的。当系统压力比设定压力小时,膜片在弹簧弹力的作用下堵塞管路;当系统压力比设定压力大时,膜片压缩弹簧,管路接通,液体通过背压阀。主要对使用较为广泛的节流阀、顺序阀、平衡阀这3种背压阀进行 研究。
2 仿真模型
液压锁紧回路是由单向阀、换向阀、背压阀、液压缸及相关辅助元件一起构成的。由于回路模型的复杂性,同时为了将每个模型表述清楚,采用单独建模再拼装构成回路的方式。
在液压仿真领域中AMESim是一款优秀的软件,它基于键合图理论将复杂的系统分解成一些基本的元素,为流体动力学、机械动力学及控制系统等领域提供了一个卓越的仿真环境[16−17],已经成功应用于航空航天、车辆、船舶、工程机械等多学科领域。
2.1 双向液控单向阀建模
在软件中,没有直接的双向液控单向阀模型,因此需要使用内置的液压元件设计库自行搭建双向液控单向阀的仿真模型。在模型中,双向液控单向阀由2个液控单向阀及控制活塞组成。液控单向阀由一端带弹簧的活塞模块、带位置限定的单自由度惯性质量模块、锥阀座孔模块组成。控制活塞的两端分别有一个接触弹簧模块,用以模拟控制活塞与阀芯之间的间隙。双向液控单向阀仿真模型如图2所示。
设置模型的仿真参数时,根据实际工况来确定,主要模型参数如表1所示。

图2 双向液控单向阀仿真模型
Fig. 2 Simulation model of bidirectional hydraulic control check valve
表1 双向液控单向阀模型结构参数
Table 1 Model structural parameters of bidirectional hydraulic control check valve

2.2 换向阀建模
在进行仿真建模时,根据三位四通换向阀结构选择液压元件设计库中的模块,仿真模型如图3所示。
换向阀模型的主要元件结构参数如表2所示。

图3 三位四通换向阀仿真模型
Fig. 3 Simulation model of three-position four way reversing valve
表2 换向阀模型结构参数
Table 2 Model structural parameters of reversing valve

2.3 带负载液压缸建模
在实际的工况中负载十分复杂,这里以TBM后支撑液压缸作为研究对象,使用液压元件设计库中的接触弹簧模块实现液压缸与地面接触碰撞的过程[18]。仿真模型如图4所示。
在带负载液压缸的主要模型仿真参数如表3 所示。

图4 液压缸仿真模型
Fig. 4 Simulation model of hydraulic cylinder
表3 液压缸模型结构参数
Table 3 Model structural parameters of hydraulic cylinder

2.4 顺序阀及平衡阀建模
仿真模型分别如图5和图6所示。
模型仿真参数如表4所示。
2.5 液压锁紧回路建模
图7所示为锁紧回路原理图。根据前面搭建的换向阀、双向液控单向阀及带负载液压缸的仿真模型,组合成基础振动下液压锁紧回路的仿真模型,如图8所示。

图5 顺序阀仿真模型
Fig. 5 Simulation model of sequence valve

图6 平衡阀仿真模型
Fig. 6 Simulation model of balance valve
表4 顺序阀及平衡阀模型结构参数
Table 4 Model structural parameters of sequence valve and balance valve


图7 锁紧回路原理图
Fig. 7 Schematic diagram of locking circuit

图8 锁紧回路仿真模型
Fig. 8 Simulation model of locking circuit
3 模型验证
3.1 实验系统
为了验证仿真模型的正确性,分析不同振动强度和振动频率下液压缸活塞的速度波动值,将仿真值与实验值对比。
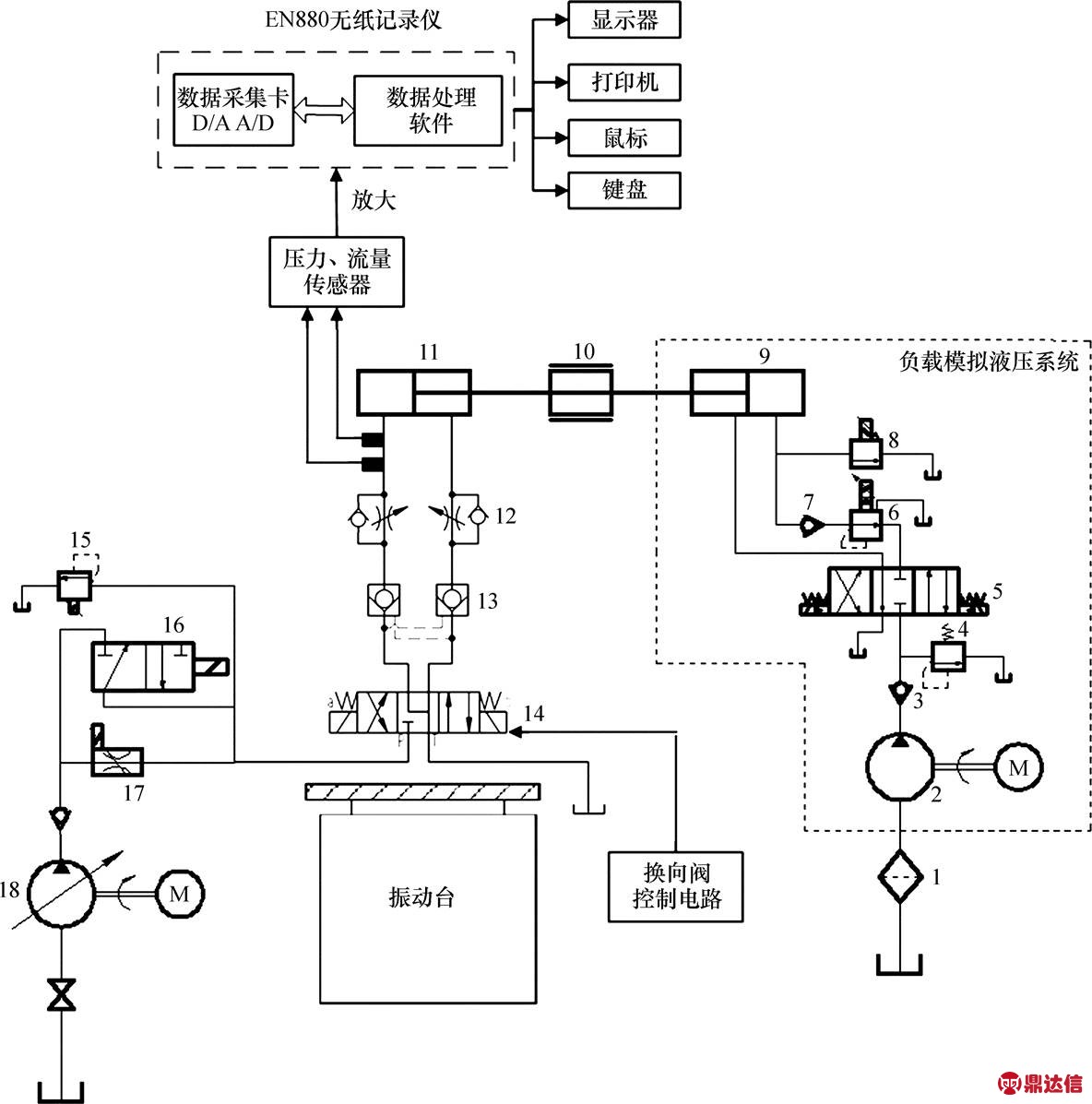
如图9所示,实验系统包括振动系统、负载模拟液压系统、锁紧回路及其他液压系统。其中,负载模拟液压系统的动力由定量泵2提供,动力缸11可以对负载模拟液压缸进行拖拽,惯性负载10可以模拟液压系统启停时活塞杆及其附件产生的惯性力。实验的锁紧回路所在液压系统的动力由变量柱塞泵18提供,锁紧回路由Y型中位三位四通换向阀14、双向液控单向阀13、节流阀12及动力缸11组成;通过换向阀的控制电路实现动力缸的工进、工退及中位锁紧的功能。利用L620M振动台模拟基础振动的环境。在动力缸11的无杆腔处接入流量、压力传感器,产生的信号经EN880无纸记录仪连接至电脑。实时采集实验装置的流量,通过数据处理间接采集活塞杆速度数据。表5所示为液压实验系统主要元件。

1—过滤器;2—定量泵;3—单向阀;4—溢流阀;5—电磁换向阀;6—减压阀;7—单向阀;8—溢流阀;9—加载液压缸;10—惯性负载;11—动力液压缸;12—单向节流阀;13—双向液控单向阀;14—换向阀;15—溢流阀;16—换向阀;17—调速阀;18—变量柱塞泵。
图9 振动环境下液压锁紧回路实验测试原理图
Fig. 9 Experimental schematic diagram of hydraulic locking circuit under vibration environment
表5 液压实验系统主要元件
Table 5 Critical element of hydraulic experimental system

3.2 验证分析
在回路出口处串接一个流量传感器。实验中设定基础振动的频率为40 Hz,振动强度从0g(g为重力加速度)变化到10g,对实验测得的数据进行统计与分析并与此条件下的仿真结果进行对比,如图10所示。
实验中设定基础振动的强度为6g,振动频率从20 Hz变化到100 Hz,进行实验后对测得的数据与仿真结果进行对比,如图11所示。频率为20~40 Hz时压力波动呈上升趋势,在振动频率为40 Hz附近处存在一个共振区,当频率越过共振区时压力波动的幅值迅速减小。
对实验采集数据与仿真结果进行对比分析可知:同频率下活塞速度波动随着振动强度的增大而增大,最大误差为1.15×10−4 m/s,平均误差为0.67×10−4 m/s;同强度下在40 Hz处活塞速度波动有最大值,最大误差为0.88×10−4 m/s,平均误差为0.66×10−4 m/s。两者的数值存在一定程度的偏差,这是因为仿真中忽略了泵的流量压力脉动及一些摩擦因素,但两者的变化趋势具有较好的拟合度,可以验证基础振动下液压锁紧回路动态特性仿真模型的正确性。

1—实验值;2—仿真值。
图10 液压缸活塞的速度波动随振动强度变化的实验与仿真对比曲线
Fig. 10 Experiment and simulation contrast curve of hydraulic cylinder piston speed fluctuation with vibration strength varying

1—实验值;2—仿真值。
图11 液压缸活塞的速度波动随振动频率变化的实验与仿真对比曲线
Fig. 11 Experiment and simulation contrast curve of hydraulic cylinder piston speed fluctuation with vibration frequency varying
4 对比分析
对基础振动下3种背压阀的典型液压锁紧回路进行仿真对比分析,设定基础振动频率为40 Hz,强度为6g,找出负载及振动对其的影响规律,为液压锁紧回路背压阀的选型提供参考。
4.1 基础振动下空载时背压阀对锁紧回路动态特性的影响
换向阀在2 s时开启换向,得到液压缸活塞杆的运动速度动态特性曲线。如图12所示,使用节流阀做背压的回路速度波动最小,幅值为1.0 mm/s,用顺序阀做背压的回路速度波动稍大,幅值为1.5 mm/s,而平衡阀做背压的回路在这种基础振动条件下速度波动最大,幅值高达2.8 mm/s。在基础振动下单向节流阀背压及顺序阀背压比平衡阀背压有更好的稳定能力。

1—节流阀;2—顺序阀;3—平衡阀。
图12 基础振动下空载时3种回路液压缸活塞杆的运动速度动态特性对比
Fig. 12 Dynamic characteristics of velocity contrast of three kinds of circuit hydraulic cylinder piston rod under foundation vibration and no-load
4.2 基础振动下定载时背压阀对锁紧回路动态特性的影响
负载为40 kN,调整节流口大小使3种回路活塞运动轨迹保持一致,换向阀在2 s时开启换向,得到液压缸活塞杆的动态特性曲线,如图13所示,使用平衡阀的回路开启时超调量较小,节流阀的超调量较大,这是因为节流阀的压降与流速正相关,在回路开启前回油侧无背压,会造成超调量较大,而使用顺序阀的回路需要经过0.2 s的调整,速度才能稳定下来。
三位四通换向阀在6 s时切换为中位锁紧,图14所示为液压缸活塞杆速度动态特性曲线。从图14所示可以看出:使用顺序阀做背压阀的回路其关闭特性最佳,其超调量较节流背压的小近40%。

1—节流阀;2—顺序阀;3—平衡阀。
图13 基础振动下定载时3种回路阀开启时液压缸活塞杆的运动速度动态特性对比
Fig. 13 Dynamic characteristics of velocity contrast when opening valves of three kinds of circuit hydraulic cylinder piston rod under foundation vibration and constant load

1—节流阀;2—顺序阀;3—平衡阀。
图14 基础振动下定载时3种回路关闭时液压缸活塞杆的运动速度动态特性对比
Fig. 14 Dynamic characteristics of velocity contrast when closing valves of three kinds of circuit hydraulic cylinder piston rod under foundation vibration and constant load
4.3 基础振动下变载时背压阀对锁紧回路动态特性的影响
在锁紧回路的液压系统中除了恒定的负载外,还存在着负载变化的情况,因此回路对负载变化的顺应能力也是一项重要的指标。仿真时在恒定的负载上叠加上1个斜坡信号,模拟在4 s内,负载由−40~−120 kN的情况。
换向阀在2 s时开启换向,得到在此负载下液压缸活塞杆的速度动态特性曲线,如图15所示,在2 s处经过换向阀的换向、超调后,速度都稳定在12.5 mm/s,随着负载的继续增加,可以看出:使用平衡阀背压的回路的速度稳定性非常好,速度仅略有增加。使用节流阀背压的回路的速度随着负载的增加而逐渐增加,因为节流阀的节流面积在此过程中并没有调整,负载增大,速度也随之改变。使用顺序阀背压的回路在一小段时间内速度近乎没有变化,这是因为顺序阀产生的背压仍能平衡掉负载力,在2.8 s开始,负载力超过了顺序阀的调定背压,此时将加速下滑,同时驱动腔的压力会降低到负值,这在实际工程应用中会造成驱动腔中油液有气体析出,这会对整个液压系统造成严重的影响。

1—节流阀;2—顺序阀;3—平衡阀。
图15 变载下活塞速度对比
Fig. 15 Piston speed comparison under variable load
因此使用顺序阀做背压阀时应正确调定压力,图16所示为将顺序阀的开启压力提高1倍后的速度动态特性曲线。从图16可以看出:速度失控所需的负载大大提高了。当然,过高的背压将使得驱动腔的工作压力增加,增加回路的能量消耗,同时增大回流的压力损失,造成回路中油液温度的增加。因此,在使用顺序阀做背压阀时应正确设定好压力,一般工程应中在平衡掉负载力后,驱动腔压力不超过1 MPa。
为研究这3种回路对交变负载的响应特性,图17所示为在原本固定负载的基础上叠加1个频率为 1 Hz,幅值为40 kN的正弦波动的信号。
从图17可以看出:3种回路的推进速度都随着负载的变化而表现出相同的趋势。使用顺序阀背压的回路在这种交变负载作用下表现最为稳定,近似为正弦波动。而节流阀做背压的回路在负载变化时的稳定性比顺序阀的稍差。使用平衡阀做背压的回路在这种交变负载下,平均速度较其他2种回路的高,但存在着抖动现象且衰减较慢。

1—节流阀;2—顺序阀;3—平衡阀。
图16 提高顺序阀设定压力后的活塞速度对比
Fig. 16 Piston speed comparison after raising sequence valve’s setting pressure

1—节流阀;2—顺序阀;3—平衡阀。
图17 交变载下动态特性对比
Fig. 17 Dynamic characteristics contrast under alternate load
5 结论
1) 建立了基础振动下液压锁紧回路仿真模型,并且实验验证了该模型的正确性。
2) 在固定负载及负载变化在0~90 kN的情况下应优先考虑单向节流阀背压及顺序阀背压;对于交变载及负载变化大于100 kN的情况下应使用平衡阀 背压。



