摘要:压电式振动能量采集技术是一种将环境中的振动能量转换为电能并为微电子系统供电的技术。文章介绍了压电式振动能量采集接口电路的研究现状,对标准能量采集电路、同步电荷提取电路、同步开关电感电路、无电感整流等接口电路的工作原理进行了介绍,详细研究了当前国内外研究人员对这些接口电路的改进,对这些改进的接口电路的特点、优势、效率、能耗、实用性等都做了分析。并对压电式振动能量采集接口电路向宽频化、集成化发展方向做了分析。
关键词:压电振动;能量采集;接口电路;集成化;宽频
0 引言
随着微电子技术的不断进步,微电子器件和系统的功耗变得越来越低,从环境中提取能量转化成电能为低功耗器件供电的设想得以实现。目前环境中可以进行提取利用的能量来源主要有:太阳能、热能、电磁能(无线电波)、机械能(振动)等。太阳能电池[1]仍是当前最成熟、应用最广的环境能量获取技术,但太阳能对环境要求较高,在没有太阳光的环境中使用不便。电磁能[2]虽广泛存在于自然环境中,但其能量密度相对过低,不易收集。而振动能在生活中随处可见,如人体、道路、车辆等有着丰富的振动能量,其能量密度较高,易于收集。
当前研究的环境振动能量采集形式主要有三种:电磁式、静电式和压电式[3-4]。利用电磁感应进行能量采集技术易受外在磁场影响和结构尺寸限制;利用静电效应进行能量采集技术需要外加电源,实用性差;而压电式能量采集技术因其结构简单、无污染、无电磁干扰、易加工实现微型化、集成化等优点成为研究的重点。
1 压电能量换能器模型
典型的压电换能器装置通常由一个悬臂梁和压电材料构成,压电发电装置可以等效成一个机电耦合等效模型,如图1所示,其机电模型可以用只有一个自由度的弹簧质量阻尼系统进行描述(等效为弹簧+质量块+阻尼的系统)。经过变换可以转换成一个等效电路模型。其中M为压电模型质量,Ks为结构刚度,D为模型阻尼,u为压电元件的位移,F为外部作用力。

图1 压电换能器示意图
Fig.1 Schematic diagram of piezoelectric transducer
图1 中,Fp为压电元件因逆压电效应产生的作用在机械结构上的反作用力;V为压电材料输出到能量提取电路上的电压;I为压电元件输出的电流。对单自由度的等效结构振动,由牛顿定律和经典压电方程可得:

式中α和Cp分别代表压电系数和压电片受夹持电容;KPSC代表压电片的短路刚度。由式(1)可知,压电换能器为二阶系统,所以其等效电路模型可以表示为图2(a)所示的等效模型图,而在图2(a)发生谐振时,图2(a)可进一步等效为图2(b)所示的等效电路模型。

图2 压电换能器等效电路模型示意图
Fig.2 Schematic diagram of equivalent circuit model for piezoelectric transducer
2 压电能量采集电路技术
由于压电换能器与压电振动能量采集接口电路及负载(包括储能过程)都存在耦合,特别是压电振动能量采集接口电路对压电能量采集系统的最终输出功率有直接影响,所以为了实现高效率的压电振动能量采集,国内外学者和集成电路厂家都对压电振动能量采集接口电路开展了研究[5-8]。
2.1 整流滤波电路
压电振动能量采集接口电路中最经典的能量采集电路是由G.K.Ottman[9]提出的由二极管整流桥和滤波电容构成的整流滤波标准能量采集电路(Standard Energy Harvesting,SEH),如图3(a)所示,目前很多研究者都对SEH进行了优化,并且某公司也研制了多款基于SEH的振动能量采集电路,如LTC3588-1,LTC3331等[10-11]。由于压电换能器内部有一个等效电容Cp,所以等效电流源IP先对Cp充电,当Cp的电压大于滤波电容电压和两个二极管的压降VRECT+2VD后,才能对外界输出电能,电压电流波形图如图3(b)所示。但是采用SEH技术不能确保在每个周期里能量可以一直由机械能转换成电能,如图3(b)中黑色部分,所以SEH接口电路的能量采集效率较低,并且后端电容电压和负载大小也会影响能量的采集效率。

图3 SEH接口提取电路及采集波形图
Fig.3 Interface extraction circuit and acquisition waveform of SEH
2.2 非线性同步采集电路
2.2.1 同步电荷提取电路(SECE)
为提高能量采集效率,研究人员提出了多种非线性能量提取电路。Lefeuvre等[12]提出了一种同步电荷提取电路(Synchronous Electric Charge Extraction,SECE),同步电荷提取技术是与振动频率同步的将换能器压电元件上的电荷通过LC谐振方式转移到储能电容上,该方法具有两个特点:①电荷的提取与机械振动同相位;②压电元件大多时间处于开路状态。电路及输出波形如图4所示,该电路实现的关键点是开关S的精确控制。理论分析及仿真结果表明,理想SECE接口电路的输出功率与后端电容电压和负载大小都无关,即任意负载情况都是最优输出功率,且SECE电路的输出功率比SEH电路的最大输出功率高400%。

图4 SECE接口提取电路及采集波形图
Fig.4 Interface extraction circuit and acquisition waveform of SECE
由于SECE电路需要精确的控制开关时刻和时间长短,国内外很多研究人员也开展了具体实现方法及改进方法的研究。Wu等[13]提出了一种同步电荷提取电路的优化型(OSECE)。OSECE电路采用了一个三线圈耦合的变压器线圈和两个开关实现了压电片的正负半周的能量提取,简化了控制策略,而且通过变压器的1:1:m的变比,可实现次级线圈续流电压的升压和反馈电压调节,但是系统需要外界供电DSP控制系统,所以系统并不能实现电能自供给。Wu等[14]在原有OSECE的基础上提出了自供电优化型同步电荷提取电路(SP-OSECE)。该电路在OSECE的基础上,增加了两个自供电的峰值位置检测电路来检测极值位置,实现了SECE控制电路的自供电。在SP-OSECE中,采用NMOS管作为开关,降低了线路损耗,但检测电路电容上累积的电荷能量都在检测回路中被消耗掉,这无疑降低了提取效率。该电路对三线圈变压器的品质因数有很高的要求,且变压器体积较大,不易实现实用化。
朱莉娅与陈仁文等[15]设计了一种改进的SECE电路,如图5(a)所示。这种改进的SECE电路采用无源的峰值检测开关和单端反激变压器,使得压电振动换能器压电元件两端电压适时反向,从而输出与负载大小无关的恒定功率。该电路的优点是能将检测电路中的电容的能量提取到电感中,但由于整流桥的存在,采集条件仍需压电片两端电压高于整流桥的电压值,且存在极值位置动作的延迟,降低了采集效率。
施阁等[16]在SECE电路的基础上也提出了一种自供电的同步电荷提取电路(SP-ESECE),如图5(b)所示。该电路取消了整流桥电路,采用正负两个极值检测电路和两个MOSFET分别达到了极值检测和控制开关的作用,减少了能量损耗。SP-ESECE电路中只有一个电感元件且能量采集过程中电流方向不变,在简化电路的同时减小了电路体积。为了降低极值位置动作的滞后,施阁等[17]还提出了一种新型的低相位滞后采集芯片,在此芯片中只使用了一个检测电容,采用两路包络检测来降低采集相位差,提高了芯片采集的效率。

图5 改进的SECE接口提取电路
Fig.5 Improved interface extraction circuit of SECE
2.2.2 同步开关电感电路(SSHI)
Taylor等[18]提出了将控制电感、开关与压电元件相串联的串联同步开关电感电路,即S-SSHI,如图6所示,其中电感L和开关S的作用是实现压电元件两端输出电压极性的快速翻转,从而减少能量损耗,增加能量提取时间。
在压电悬臂梁质量块的位移达到极值时,闭合开关S,此时L与Cr形成振荡回路,在1/2个振荡周期时断开开关S,输出电压在这段时间完成快速反向。SSSHI电路的实质是在换能器运动反向时,通过半个LC谐振周期,电荷提取到负载和滤波电容上,对压电元件两端电压进行反向,实现了输出电压和输出电流的同相位,使更多的机械能转换为电能。

图6 S-SSHI接口提取电路及采集波形图
Fig.6 Interface extraction circuit and acquisition waveform of S-SSHI
Lefeuvre和Guyomar等[19-21]提出了并联同步开关电感电路,即P-SSHI。如图7所示。与S-SSHI不同的是,P-SSHI选用将控制电感和开关与压电元件相并联的方式进行压电元件两端电压的快速翻转。在此电路中,与电感L形成振荡回路的是压电元件内部夹持电容,而不是外部储能电容Cr,同样是1/2个振荡周期后完成电压的翻转,进而压电元件两端的电压继续上升,开始下一次能量的提取。

图7 P-SSHI接口提取电路及采集波形图
Fig.7 Interface extraction circuit and acquisition waveform of P-SSHI
无论是S-SSHI还是P-SSHI,两种接口电路的输出功率都与电路后端的负载大小和电路中电感的品质因数有关,电路的最大输出功率只能在负载取得最优值时才能获得,所以两种电路在实际应用中也存在很大的局限性。
Lallart等[22]基于以上几种接口电路对能量采集效率进行了优化设计,提出了双同步开关能量采集接口电路,即DSSH。该电路主要由两部分组成:串联同步开关电感部分和Buck-Boost变换电路部分。DSSH的设计主要是针对WSN节点对压电能量采集系统的要求而设计的:有较高的能量采集效率;能量采集系统的输出功率不受负载影响。实验结果表明DSSH也满足了这两点要求:在任意负载下,输出功率都为最优,DSSH的采集功率是SEH电路采集功率的5倍之多。但此电路的开关控制仍需要外界能量的注入,并不能实现自供电。
Shen Hui等[23]提出了增强型双同步开关电感采集电路,即ESSH。ESSH与DSSH两种电路的结构是相同的,只是优化了DSSH控制开关的控制策略,而且ESSH电路的提出解决了DSSH电路自供电的问题,使得该能量采集电路向实际应用更进了一步。但是,ESSH电路的供电系统和能源管理系统较为复杂,功耗也较高,所以该电路的最终输出功率也较低。
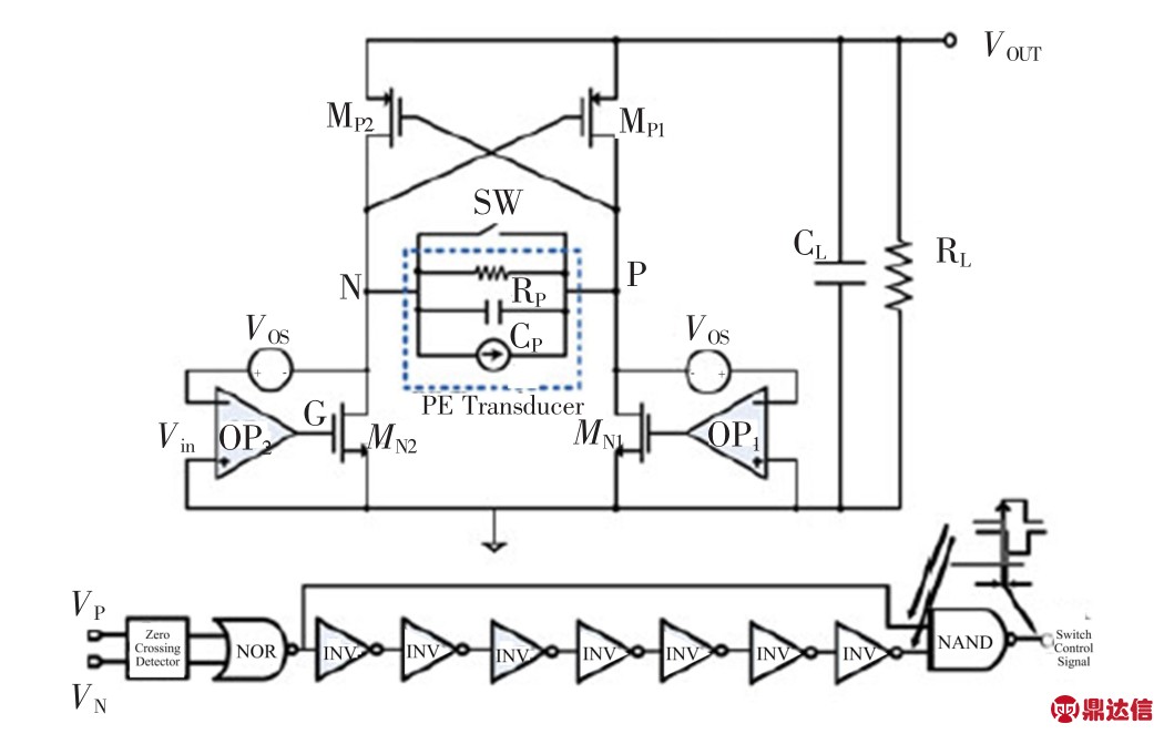
Liang与Liao等[24]设计了一种自供电的SP-SSHI接口电路,如图8所示。该电路在设计中简化掉了整流桥电路,通过对称的两个极值位置检测电路来检测压电片的两个正负最大位移,该电路的优点是可以将检测电路里的电容中积累的能量全部提取到滤波电容中,但该电路的采集效率和负载电压有关,在某些条件下电路不会导通来采集能量。

图8 改进的SP-SSHI电路原理图
Fig.8 Modified SP-SSHI circuit diagram
Chen与Vasic等[25]研究了一种自供电的压电振动能量采集装置(V-SSHI),采用的是S-SSHI原理。该装置将压电元件分成了3部分;一部分作为自供电的电源;一部分作为振动位置传感器;另一部分完成S-SSHI电路的其他功能。该电路的创新是使用了双向MOS管开关电路分别控制两个过零点的开关切换,但该电路对压电片的结构有特殊的要求。
基于同步开关电感的优势,研究人员也不断优化SSHI电路。Junrui Liang等[26]对多种电路进行剖析后,将最优Bias-Flip理论运用到实践中,提出了一种并联同步三次偏转接口电路P-S3BF,如图9所示。此电路的重要部分是使用6个MOSFET组成的电流驱动网络,通过执行Bias-Flip动作来获得最大功率,P-S3BF与SEH电路的最大采集功率之比为3.88:1。在P-S3BF电路中使用了大量MOSFET管,而这些MOSFET管的开启仍然需要微控制器和驱动电路来提供外部驱动信号。

图9 P-S3BF电路
Fig.9 P-S3BF interface circuit
在对P-SSHI和S-SSHI电路分析之后,P.H.Hsieh等[27]由阻抗匹配原理,引入了相位延迟的开关电感电路,提出S-SSHI-和P-SSHI-两种电路拓频方法。引入的开关延迟将使得压电元件输出电流与电压的基频同相位,从而适应换能器不同的频率振动。这一方法实现了在不同频率下的阻抗匹配,进而提取到较多的能量。该电路相比于传统的压电能量提取电路的3 dB的提取带宽拓宽了76%,而实验结果表明,相比于没有开关延迟的S-SSHI和P-SSHI电路的3 dB的带宽,实际带宽拓宽了23%,在有5%的频率失配下提取功率也提高了66%。
基于阻抗匹配原理,周陈彬、梁俊睿等[28]也提出了相位可变开关电感电路作为电学扩频方法,与P.H.Hsieh等[27]提出的电路相类似。
2.2.3 无电感整流电路(Inductor-less)
由于同步电荷提取电路和同步开关电感电路都需要电感来实现能量提取或转移,而电感体积都比较大,影响实际应用,所以国内外很多学者也开始研究无电感的高效整流电路。
Sun等[29]研究了一种新型的高效有源整流的压电振动能量采集芯片,如图10所示,该芯片没有电感元件,采用了有源二极管控制电路实现整流,解决了运放的直流偏置问题。该芯片采用0.18 μm CMOS工艺来实现,采集效率可以达到90%,采集功率达到81 μW。
Do等[30]研究了一种自供电的整流电路,此电路可自动调整换能器电容的电压。该电路的基本结构与Sun等[29]设计的电路相同,只是在其基础上增加了一个数字控制模块来控制四个MOS管的开关工作,该芯片采用0.18 μm CMOS工艺来设计,所占面积为0.08*0.20 mm2,最大采集效率可以达到91.2%,采集到的能量是传统整流桥电路的3.5倍。

图10 高效有源整流的能量采集电路图
Fig.10 Energy acquisition circuit diagram of high efficiency active rectification
Chen等[5]提出了一种翻转电容整流器(FCR)拓扑来实现压电元件两端的电压翻转,如图11所示。与传统依靠高品质因数的庞大的外部电感能量收集器的PSSHI方法不同,此方法通过可重构电容器阵列来实现电压翻转。在电流的过零点,通过电容的串并联和反转的切换,实现电压和电流的相位同步。此方案从根本上保留了完全集成的解决方案且无需电感器,同时实现了高能量提取能力。测量结果表明,在110 kHz的激励下,输出功率较传统整流桥电路的输出功率增强倍数可以达到4.83倍。这种方法虽然没有带电感的电路效率高,但是为全集成能量采集提供了一个方向。


图11 无电感开关翻转电容电路工作原理与芯片照片图
Fig.11 Working principle and chip picture of switched-capacitor circuit without inductor switch
3 发展趋势
随着国内外对新能源技术和研究方法的不断深入,越来越多的新能源技术被应用到实际的生活中,而作为新能源技术中典型的绿色能源技术——压电能量采集技术将有着广阔的发展前景。压电式振动能量采集技术在国内外已有较多的研究,压电式振动能量采集接口电路作为采集过程中必不可少的一个环节,其研究仍处于起步状态,仍有较多的理论需要加以分析、实验、论证。通过前文对压电式振动能量采集接口电路的国内外发展现状的总结,可以看到仍有以下几个方面值得研究人员进行深入的研究:
(1)采集电路系统低功耗研究。结合现有的广泛存在的无线传感网络,研制出具有能量自给能力的低功耗无线传感网络。现有的能量采集电路自身消耗的能量较高,导致最终的输出能量较小。应降低采集电路系统功耗,提高模块间的集成化程度,提高能量采集的转化效率,最终研制出具有能量自给功能的低功耗无线传感网络;
(2)能量采集结构的微型化研究。随着微机电系统技术的不断发展,体积的减小对微机电系统来说非常重要。采用集成电路技术可实现系统的微型化和集成化,也有研究人员考虑采用分时复用大型体积元器件的方法来减小采集系统的整体体积,实现系统的微型化。同时,先进的MEMS加工工艺也是系统微型化的有力工具;
(3)采集效率的研究。为了给负载提供稳定、持续的电能,需要设计出更高能量转换、采集效率的能量采集电路。基于MPPT原理的采集方法和集成电路设计,通过改变采集电路的状态来调整采集效率也将是压电振动能量采集接口电路的一个发展方向;
(4)采集频率的拓宽研究。自然界中的振动频率总是在不断变化的,各个振动能量采集器的频率也不是一成不变的,所以为获得更多的振动能量,压电式振动能量采集接口电路应该有较宽的共振频率调节范围,以适应不同频率下的振动能量采集状况;
(5)实际应用的研究。现阶段,压电式振动能量采集接口电路的研究较多的停留在实验室阶段,真正应用到实际生活中的还很少。而随着相关理论研究的成熟,这些电路势必要走向实际的工程应用,所以在实际应用时,为提高采集效率,可以为某一特定环境而设计出针对性的接口电路。
4 结束语
目前,压电能量采集在现实生活中仍保持着较高的研究热度,在压电换能器将外界振动能量采集、转化为电能之后,将这些电能高效、迅速的储存起来是使用压电能量采集电路的主要目的。在储存能量的过程中,最大限度的将转化的电能总量增加也是近年来研究者们关注的热点。在压电能量采集电路的设计中,是否高效率、低损耗,能否实现自供电等特点已成为判断一个压电能量采集电路好坏的关键。文章简要介绍了压电式振动能量采集接口电路的国内外相关研究动向,对现有的压电式振动能量采集接口电路的典型电路原理和国内外对其的改进,以及各个电路的优缺点等都进行了归纳,并提出了其发展趋势。相信在未来,压电式振动能量采集接口电路的研究将会更多的应用到实际工程领域,从而推动微机电系统以及无限传感网络等诸多领域的发展与进步。



