Abstract: Magnetometric resistivity (MMR) method is a new way to detect dam leakage. The coil sensor is generally used to collect data in geophysical exploration methods. Given the characteristics of accurate vector data requirements and high sensitivity requirement, a three-component MMR air-core coil sensor is designed. Through the analysis of sensor sensitivity and coil structure parameters, the coil structure and turn number are designed. By analyzing the noise source of the sensor, a suitable amplifier is selected to reduce the background noise of the system. Through the analysis of the three-component non-orthogonal angles, the parameters of the non-orthogonal angles of the coils are corrected. Finally, a three-component MMR induction magnetic field sensor is designed. The volume of the sensor is controlled at 0.027 m3. The background noise of X、Y and Z are
The three channels have good consistency, and the three-component nonorthogonal angles correction error of three components is controlled within 0.2%.
Key words: magnetometric resistivity (MMR); three-component air-core coil sensor; noise analysis; high sensitivity; three-component correction
0 Introduction
As an important part of water conservancy projects, reservoirs and dams have made important contributions to human production and national economic development. With the increase in the operation time of reservoirs and dams, the hidden danger of them, such as dam break, is becoming more and more serious. Therefore, it has become a consensus to take effective measures to prevent deterioration of the dam. For a long time, the domestic scientific research on dam leakage detection technology has been uninterrupted. But the traditional methods for detecting leakage of dams are direct copies of minerals surveying methods. These methods can not accurately grasp the characteristics of dam leakage. In addition, the numerical results are not reliable enough to scientifically detect dam leakage.
Magnetometric resistivity method (MMR, Edwards and Nabighian, 1991), a measurement method based on weak magnetism (about 100 milli gamma), can determine the priority flow path of underground water passages followed by measuring the low frequency magnetic field related to underground non-inductive current flow according to the principle that naturally ionized groundwater is more conductive than the soil through which it flows[1]. The longitudinal and transverse positions of leakage flow are determined by measuring the magnetic field generated by current channel. The direction of the magnetic field is determined by Biot-Savart law. If we hold the wire in our right hand, the direction of our thumb is the direction of positive current, and the direction our fingers curl is the direction of the magnetic field, as shown in Fig.1.

Fig.1 Schematic diagram of current magnetic field generation relationship between quadratic drag and linearized drag
The horizontal component is maximized when the probe point is above the current source. When the detection point is gradually away from the current source, the horizontal component decreases, the vertical component increases, and the total magnetic field decreases. Therefore, the changes in the horizontal and vertical components of the magnetic field in space can be the direction and position of the water flow. MMR method has features of super-speed, accurate and minimally invasive advantages in ground water mapping and modelling. Till now, MMR method has been widely applied in many different areas throughout the United States, Canada, England, Peru, Sri Lanka, and Argentina[2]. However, it is inaccessible in China.
The coil sensor is generally used to collect data in geophysical exploration methods[3]. A high sensitivity cooled coil resonance for kHz range is designed for magnetic resonance sounding (MRS) method[4]. And for the MRS method using in a mine or tunnel for advance detecting, an one-meter-side and cooled coil sensor is designed to deploying the sensor use in the narrow underground space[5]. A differential structure air-coil sensor is designed for suited to Helicopter TEM method[6]. And a three-component airs core sensor is designed for ground TEM detection[7]. In conclusion, the key of MMR is to use air-core coil sensors as an important method to measuremagnetic field. Due to its distinctiveness, the features of small volume, lightweight, high sensitivity, low noise level and access to accurate three-component measurements are required for detection air-core coil sensors.
based on the practical detection demands of MMR, here we analyze the parameters of coil sensors, such as frequency characteristics, system noise level, etc. Moreover, we corrent three-component magnetic sensor nonorthogonal angles to improve the detection accuracy of the data. According to the practical measurement results, the sensor introduced in this paper can meet the detection requirements of the MMR method.
1 Principle and analysis
1.1 Optimization of parameters
Coils for detecting magnetic fields are mainly divided into air-core coils and magnetic-core coils. Magnetic-core coils have features of small volume, high sensitivity in electromagnetic induction. Meanwhile, MMR must observe not only the distribution of magnetic field intensity in a single, but also the vector magnetic field distribution and magnetic field gradient in space. In order to avoid the crosstalk among magnetic coils, which may intervene in the accuracy of magnetic field signals in three components, a three-component electro-magnetic induction air-core vector coil sensor (VCS) is designed.
Single-component coils are constructed by winding coils at the square coil frame. Since the square’s magnetic flux area is the larger than the circle under the same volume. The simplified model is shown in Fig.2(a), and the cross-section diagram is shown in Fig.2(b).


Fig.2 Schematic diagram of a single coil sensor structure
In Fig.2, D is the outer side length of coil, d is the inner side length of coil, and H is the height of coil.
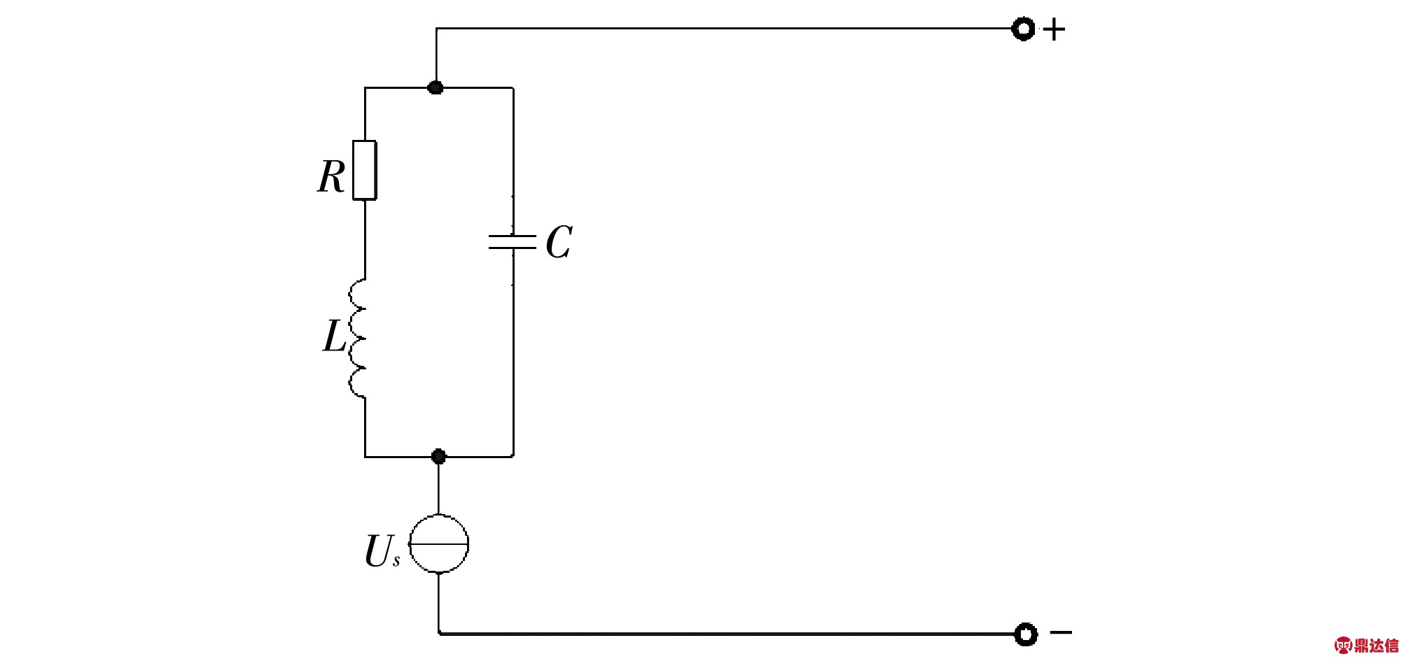
VCS can be in the form of inductance series resistance with equivalent effect. In order to improve the sensitivity at specific frequencies and suppress wideband electromagnetic noise level, the resonant frequency of adjusting coils with LC tuning structure is adopted. The circuit equivalent structure of coils is shown in Fig.3.
In Fig.3, R is the coil internal resistance, L is the coil self-inductance, C represents the coil distributed capacitance and the resonance capacitance, and Us is signal voltage.
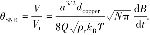
The side length (D) and the number of turns (N) of air-core coils can directly influence the quality of magnetic induction signals, even detection accuracy. As a result, further studies shall be carried out to determine D, N and H to achieve the optimal volume, sensitivity, and signal-to-noise ratio θSNR.

Fig.3 Air-core coil equivalent circuit
` The thermal noise of coils is the main component of coil noise, and it is expressed as
![]()
(1)
where kB is a Boltzmann constant, with the value of 1.380 649×10-23 J/K; QLC refers to the quality factor of LC resonant coil; T refers to the temperature value, and R refers to the value of direct-current resistance of coils.
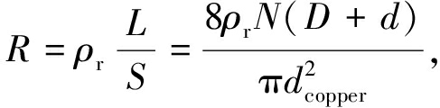
The direct-current resistance of air-core coils (R) is mainly related to the length and materials. The conductor of winging coils is made of copper conductor with the outer diameter of 0.48 mm and the inner diameter of the copper core being 0.34 mm. based on Ohm’s law, we can know that
![]()
(2)
where ρr=1.75×10-8 Ω·m refers to the conductivity of copper at room temperature, and dcopper is the diameter of copper core.
based on the Faraday’s law of electromagnetic induction, the output signal of single-component coil at the effect of different magnetic fields is
![]()
(3)
where a=(D+d)/2 is the average side length of coils, φ refers to the magnetic flux passing through the air-core coils, dB/dt refers to the changing magnitude of magnetic flux. In terms of coils, θSNR can be shown as
![]()
(4)
As we can see from the foregoing analysis, the θSNR of VCS is related to a and N. For special magnetic field intensity, coil’s output single (V) is directly proportional to Na2, coil’s thermal noise (Vt) is directly proportional to
and θSNR is directly proportional to a3/2 and
namely, under the same conditions, the longer the a, the more the N, and the higher the θSNR. Meanwhile, the volume and mass of coil are directly proportional to a and N, namely, the more a and N, the more the volume and mass of coil. Considering the limitations of MMR on coil’s volume and weight of coil, DC resistance, inductance and harmonic capacitance of coil shall be all taken into considerations.
1.2 Analysis of equivalent noise
The magnetic field signals collected by the sensor should be further amplified by the pre-operational amplifier circuit. The overall measurement background noise of the sensor is mainly composed of voltage noise Vnoise and current noise Inoise generated by the pre-operational amplifier, and system thermal noise Tnoise, namely
![]()
(5)
where Z is the impedance of the coil.
Therefore, the voltage noise and current noise of the selected pre-operational amplifier will directly influence the sensitivity of measuring signals.
The voltage noise and current noise of the VCS will not only be affected by the type of the selected pre-operational amplifier, but also be integral to the amplifier circuit configuration. The structure of the pre-operational amplifier as shown in Fig.4(b) can reduce its inherent voltage noise level to
times, which means that we shall further analyze these two structures.
Table 1 Values of L and R corresponding to N

Due to its volume restriction, coils should be wound at a non-magnetic skeleton with the length being 49.64 mm and height being 10 cm. Thus the influence of the number of turns on L and R is important to the VCS. The values of the parameters based on the practical measurement are listed in Table 1.


Fig.4 Schematic diagram of two pre-amplifier structures
In order to further analyze the noise effect when combining different pre-amplifiers with the sensor, we select two operational amplifiers with relatively high performance as the pre-amplifier, namely, LT1028 and AD745. LT1028 is featured with lower voltage noise, with the voltage noise being
The magnetic field detection sensitivity of this system can be calculated by
![]()
(6)
where ∂V/∂B is the transfer coefficient of the resonant circuit, and based on Faraday’s law of electromagnetic induction, the transfer coefficient of the resonant circuit can be calculated by
![]()
(7)
Thus field sensitivity Bn detected by this system can be calculated based on Eqs.(6) and (7) as
![]()
(8)
The pre-amplifier consisting of LT1028 and AD745 in the form of Fig.5(a) and pre-amplifier consisting of LT1028 in the form of Fig.5(b) are matched as the system noise and detection sensitivity of air-core coil sensors, respectively, as shown in Fig.5.
As shown in Fig.5, the two-stage amplifying circuit consisting of LT1028 in parallel is featured with lower background noise and higher system sensitivity, and two-stage amplifying in parallel can ensure the reliability of post-processing signals. As a result, this form is selected as the pre-amplifier circuit of the system. As shown in Fig.5, when N>1 400, system sensitivity can completely meet the detection needs of MMR, and the increase of the number of turns will no longer increase the sensitivity obviously, therefore, we choose N=1 400.


Fig.5 AD745, LT1028, parallel LT1028 system theoretical noise and sensitivity
2 Three-component nonorthogonal angles correction
Due to the restriction of processing technology, these three axes of the VCS will not completely be orthogonal[8-9]. Details are as follows: each component of the VCS has offset voltage drift, and the sensitivities of different axis and their matching pre-operational amplifier are different, which results in a large error of the measured magnetic field data. In order to acquire more accurate data, non-orthogonal angles correction shall be carried out on the three-component sensor. Till now, the common error correction methods mainly include least square method, ellipsoid fitting method, and neural network method. In this paper, the ellipsoid fitting method has been used to correct the collected data of ACS.
Non-orthogonal angle errors of the three-component sensor can mainly be divided into errors of non-orthogonal angles, sensitivity of each axis, offset voltage drift and measuring noise. Among these, the measuring noise can be silenced via superposition.
For the error model shown in Fig.6, supposing that the standard coordinate system is O-XYZ and the non-orthogonal coordinate system to be measured is O-X′Y′Z, with coincident Z-axis, and XOZ and X′OZ being coplanar, α, β and γ are non-orthogonal angles, to be explicit, α refers to the included angle between OX-axis and X′-axis, γ refers to the included angle between Y′-axis and XOY plane, β refers to the included angle between OY′ projection and OY-axis on the XOY plane.

Fig.6 Schematic diagram of measurement error
The non-orthogonal mathematical model of the VCS is built as

(9)
The three-axis sensitivity error model caused by varying sensitivity of the VCS and different amplification factors of pre-amplifier circuit can be shown with

(10)
where kX, kY and kZ refer to the sensitivities of VCS’s X-axis, Y-axis and Z-axis, respectively.
Meanwhile, since the zero position of the sensor cannot be set accurately, the zero drift error mathematical model caused by analog circuit drifting and A/D card drifting can be given by

(11)
where bX, bY and bZ represent the zero drift errors of X-axis, Y-axis and Z-axis, respectively. In conclusion, the measured data correction model of the VCS is
B=KAB0+b+n,
(12)
where B=[X Y Z]T refers to the measured data when there are errors, n refers to the measurement noise and B0 is the practical output of VCS. The general formula of ellipsoid is given by
F(ξ,h)=ax2+by2+cz2+2dxy+2exz+2fyz+
2px+2qy+2rz+g,
(13)
where ξ=[a,b,c,d,e,f,p,q,r,g]T refers to the parameter vector of ellipsoid, and h=[x2,y2,z2,2xy,2xz,2yz,2x,2y,2z,1]T refers to the operational vector of measured data.
Correction is performed by using the ellipsoid fitting method to select the optimal parameter of ellipsoid based on the minimum quadratic sum of the distance from the data to the ellipsoidal surface. Thus the minimum value is obtained after introducing related data ξ into
‖F(ξ,h)‖2=(Hξ)T(Hξ)=ξTHTHξ,
(14)
where H refers to the combination of measured data, namely

(15)
According to the analytical geometry, more limitations are required to determine if it is an ellipsoid. Assuming that
I=a+b+c,
J=ab+bc+ac-d2-e2-f2,
(16)
when meeting the requirement of
4J2-I2>0,
(17)
the curved surface shown in Eq.(14) will be ellipsoidal surface.
based on Eq.(12), assuming that K′=KA, and errors (n) have been eliminated by multiple times of superposition, then
![]()
(18)
When the sum of three-dimensional theoretical vector is Bb, based on Eq.(18), we can know
![]()
(19)
The vector form of optimal ellipsoidal surface obtained via ellipsoid fitting method can be written as
(X-X0 )TM(X-X0 )=1,
(20)
where M refers to the parameter matrix, X refers to the coordinates of points on an ellipsoidal surface, and X0 refers to the coordinates of points in the center of ellipsoid. based on Eqs.(18) and (19), we can work out

(21)

(22)
thus we obtain the practical output of the VCS as
B0=(K′)-1(B-b).
(23)
3 Experiment and discussion
All experimental measurements are performed inside a magnetic shielding room built with high permeability and inductivity materials. Correspondingly, this room provides the experiment with a sufficient shielding factor (i.e., 40 dB) from both electric and magnetic field noises.
First of all, an independent test on sensitivity of every single coil of the VCS was carried out. We connected three coils to the same operational amplifier and measure their background noise signals output separately. The output voltage signal of the sensors is measured using a dynamic signal analyzer (35 670 A, Agilent Technologies Inc., Santa Clara, CA, USA). The measured background noise is shown in Fig.7, with excellent consistency in three channels, with the background noise of three-channel (X-axis, Y-axis and Z-axis) signals all being
at 380 Hz, and the detection sensitivity being
at 380 Hz, which can be used as MMR detection sensor(which demands sensitivity about 100 milli gamma).



Fig.7 Theoretical system noise
After that, we conducted the assembly three-component data acquisition test. The sinusoidal AC magnetic field with the frequency being 380 Hz and magnitude being 10 000 nT is generated by using a Helmholtz coil at the shielding enclosure environment, as shown in Fig.8.
Using the designed vector coil sensor to collect 30 sets of data from random placement angle, the values of data model are shown in imaginary line in Fig.9(a). It can be seen that the uncompensated data error is up to 500 nT. The non-orthogonal three-axis parameters after substituting 30 sets of data into Eq.(15) for error correction are as follows. The nonorthogonal-angles are α=1.997 1°; β=1.750 9°; γ=2.657 7°. The sensitivity compensation factors are kX=0.996 5; kY=0.996 7; kZ=1.004 0. The three-axis zero drift errors are bX=109.50 nT; bY=125.09 nT; bZ=-79.69 nT.

Fig.8 Three-component nonorthogonality data acquisition


Fig.9 Sampling site
The compensated data is shown in Fig.9(b), with the compensated sensor measurement error controlled within 20 nT and the accuracy being up to 0.2%, which achieves the high-accuracy collection of MMR detection data.
Finally, we conducted field validation test in a small reservoir on the outskirts of Changchun City. The detection target is a spillway with a radius of 25 cm. We chose the origin point being above the spillway tunnel and the measuring line perpendicular to the flow direction of the spillway tunnel. Every 0.5 m is a measuring point and there are 31 points to be collected totally. A high-power transmitter was used as the transmitting part. The dipole excitation source was placed at both sides of the dam, and the transmitter and source wires are 100 m from the test area to reduce the influence of the magnetic field generated by the wires on the detection results.
We measured the environmental noise in the experiment, as shown in Fig.10, and the resuslts are
at 380 Hz on X-axis,
at 380 Hz, 368.5 nT
at 80 Hz, respectively, as shown in Fig.11.

Fig.10 Environmental noises in the experiment

Fig.11 Signal amplitudes of origin point
Fig.12 shows the variation trends. We can clearly see that the horizontal (Y-axis) magnetic field component reaches the maximum directly above the spillway tunnel (the electric current), and the vertical (Z-axis) component is zero. As the distance changes, the horizontal component decreases and the vertical component increases. The total magnetic field decreases as the distance increases. Since the X-axis component is parallel to the priority flow path, the signal is the minimum. The results show that there is a priority flow path at the origin, which proves that the sensor meets the design requirements.


Fig.12 Variation trends
4 Conclusion
We design and optimize an MMR detection vector coil sensor. After the analysis of sensor sensitivity and coil structure, the parameters are as follows: coil length, 49.64 mm; height, 10 cm; number of turns 1 400, and volume of the sensor, 0.027 m3. By analyzing the noise source of the sensor, we select LT1028 as the pre-amplifier to constitute the circuit of low offset voltage noise pre-amplifier structure to reduce the noise of the system. The experimental results show that the background noise of every single channel is
Besides, to ensure detection sensitivity, vector correction is performed, and measurement errors are less than 0.2%, which means that it can be practically implemented in the MMR detection works.



