摘 要: 通过对轨道交通车辆用防滑阀的原理分析, 采用AMESim 软件建立防滑阀的仿真模型, 对防滑阀的阶段动作特性、 制动缓解特性及容量特性进行了仿真分析, 与试验结果吻合, 表明模型有效。 并分析了防滑阀关键结构参数变化对阀动作性能的影响规律。 本文研究为防滑阀的优化设计和故障问题分析起到指导作用。
关键词: 轨道交通; 防滑阀; 气路仿真
0 引言
动车组及地铁等轨道交通车辆要求制动安全、可靠、舒适,制动力过大易导致车轮滑行甚至抱死,轮对与轨道之间发生滑动摩擦, 严重时会导致轮对和轨道的严重擦伤或磨损,直接影响运营安全。轨道交通车辆中设置防滑阀来控制滑行时的压力调节[1]。防滑阀在制动系统中的主要功能是根据制动系统电子控制单元的电信号, 对制动压力进行充排气调节,以解除车辆轮对的滑行状态。对防滑阀特性的深入掌握是设计有效滑行策略的必要条件。因此对防滑阀的特性的研究具有重要的工程意义。
本文对某种适用地铁及动车组的轨道交通用防滑阀工作原理进行分析介绍, 采用AMESim 软件建立防滑阀的仿真模型,对其工作特性进行仿真分析,重点研究了防滑阀内关键的结构参数对动作性能的影响, 为防滑阀的优化设计及故障分析提供指导。
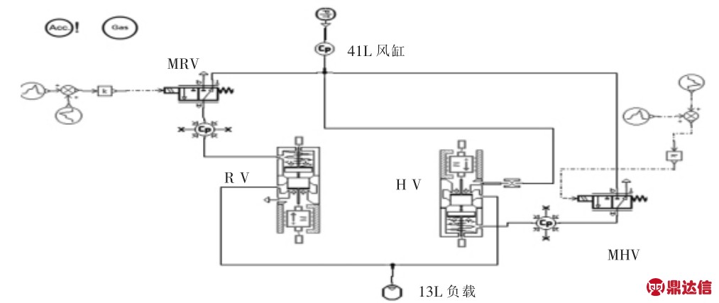
1 防滑阀结构及原理
防滑阀的结构示意图见图1 所示。

图1 防滑阀结构及原理示意图
Fig.1 Structure and schematic diagram of antiskid valve
防滑阀主要由保压阀HV 和排气阀RV 两部分组成,每个阀分别由电磁控制部分(MHV、MRV)和主阀体部分(HV、RV)组成。 电磁控制部分主要包括线圈、铁芯组成,主阀体部分主要包括膜板、阀座、膜板弹簧等。 通过控制电磁部分实现对膜片阀口的开闭控制。
防滑阀进气口IN 与制动系统中继阀出口连接,出气口OUT 与制动缸连接, 排气口EX 通向大气。 正常制动时,先导电磁阀MHV 和MRV 均不得电,压缩空气经由进气口IN 进入,推动保持阀(HV)膜片,制动压力经打开的阀口输出到制动缸,此时防滑阀处于供给位。当列车发生滑行时,制动力需减少,先导电磁阀MHV 和MRV 同时得电,先导气进入腔室V2,保持阀(HV)阀口关闭,切断前端进气,同时排气膜片腔室V1 的先导气排空,排气阀(RV)阀口打开,制动缸压力经由排气阀口排出,压力降低。 当需要保持制动力不变时,先导电磁阀MHV 得电,MRV 失电,此时保持阀(HV)阀口关闭,切断制动力供给,同时排气阀(RV)阀口也关闭,不进行排气,压力处于保持状态。
2 仿真模型建立
AMESIM 软件是基于物理模型的图形化建模平台,已在汽车、 工程机械等领域得到广泛够用, 并已得到验证。 气动模块包含各种气压元件、管路元件、电磁阀元件等,能够考虑线性和非线性仿真[2]。
防滑阀中电磁先导阀为两个二位三通的电磁阀,采用AMESIM 模块中的电磁阀模型模拟。先导电磁阀通径、主阀体部分阀口通径、先导阀通径、膜片直径、弹簧力值等参数根据实际物理参数进行赋值。
试验中防滑阀前端输入压力为685kPa, 前端容积负载41L,后端负载容积容量试验时13L,仿真模型中参数按照实际试验负载设置,模型如图2 所示。

图2 防滑阀AMESim 仿真模型
Fig.2 AMESim simulation model of antiskid valve
3 仿真结果分析
3.1 阶段充气、 阶段排气特性

图3 阶段充气和阶段排气特性
Fig.3 Stage charge and stage exhaust characteristics
试验要求防滑阀阶段充气和阶段排气能够正常动作、阶段动作过程中压力能够正常保持,仿真计算结果如图3 所示。
仿真曲线较好的体现了防滑阀阶段充气特性 (3 个 循 环 的 充 风0.2s+保压0.9s,充风0.2s+保压4s+4.5 充气,共历时12s)、阶段排气特性 (3 个循环的排气0.2s+保压0.9s, 排气0.2s+保压4s+4.5 排气,共历时12s),过程中压力保持功能正常可靠。
3.2 制动缓解特性
试验时防滑阀不通电,排空防滑阀前端的压缩空气,要求防滑阀后端的负载压力小于5kPa。仿真结果见图4,排空前端压力后, 防滑阀负载压力为3.4kPa,符合技术要求。

图4 制动缓解特性曲线
Fig.4 Brake release characteristic
3.3 容量特性
容量特性仿真结果见图5 所示。 试验中通常采用充罐法对防滑阀容量特性进行检验,负载为13L。 充气时防滑阀MRV 和MHV 均 不得电, 排气时MHV和MHV 同时得电。容量特性仿真结果见图5 所示。 结果显示:13L 风缸压力由685kPa 降至255kPa所用时间t1=1.04s,实测 值 为1.1s;13L 风缸压力由0 上升至430kPa 所用时间t2= 1.23s, 实测值为1.3s。考虑到实际测试中气源压力的稳定性、测量误差等因素,仿真结果能够正确反映防滑阀容量特性。
通过上述分析可以看出,仿真结果与试验结果相近,能够正确反映防滑阀的性能, 上述仿真模型是正确有效的。 下面的分析基于上述模型开展。

图5 容量特性仿真曲线
Fig.5 Capacity characteristic simulation curve
4 结构参数影响分析
防滑阀结构上由充气阀和排气阀组成,两组阀功能上分别控制充气和排气,结构原理上相似,且滑行控制时更多关注防滑阀的排气性能, 故本文主要对防滑阀排气阀(HV)部分的关键结构参数进行分析,主要包括图1 所示的排气阀口通径D1、排气阀膜片弹簧初始压力(frv)、排气先导电磁阀充气通径(d1)、排气先导电磁阀排气通径(d2)。
4.1 排气阀口通径D1 影响分析
由图6 所示,随着排气阀口通径的增大,阶段排气量变大,排气效率变高。防滑阀排气通径大小直接影响滑行时控制参数, 实际应用中可以根据需要选择设置合适的防滑阀排气口通径。

图6 不同排气阀口通径D1 特性曲线
Fig. 6 Characteristic curve of different exhaust valve port diameter
4.2 排气阀膜片弹簧初始压力(frv)影响分析
从图7 和图8 仿真曲线可以看出,排气膜片弹簧的初始压力值对排气效率无明显的影响,但对负载的最终稳定压力值(简称残压值)有明显的影响。 初始预紧力为1N、3.4N、7N、12N 时 对 应 的 残 压 值 分 别 为1.8kPa、3.7kPa、7.3kPa、12.5kPa,预紧力越大,负载残压值越高。 残压值过高对于制动系统是不可接受的, 设计中应控制弹簧的初始预紧力。

图7 不同排气弹簧初始力动作曲线
Fig.7 Initial force action curve of different exhaust springs
4.3 排气先导电磁阀充气通径d1影响分析
从图9 可以看出,排气先导阀的充气通径d1 对防滑阀的阶段排气有明显的影响,充气通径越小,初始阶段排气负载压力下降的越多,负载压力由排气向保压转换的时刻越往后,保压的时间越短。结合图1 结构分析,充气通径越小,作用于排气膜片上腔的控制压力建立的越慢,排气阀口关闭也变慢,所以实际排气时间会变长,压力下降的更多。

图8 负载排气残压局部放大曲线
Fig.8 Local amplification curve of residual pressure of load

图9 不同排气先导阀充气通径动作曲线
Fig.9 Action curve of inflation diameter of different exhaust pilot valves
当充气通径d1 下降到0.2mm 时,防滑阀充气过程出现异常,负载压力上升变慢。 图10 所示,d1=0.2mm 时,充气初始阶段排气膜片被打开1.5mm 左右,然后又关闭,从结构上分析,这会导致充气时排气口在排气,故防滑阀负载压力上升变慢。 这种现象会导致制动距离变长,是不允许的。

图10 排气膜片动作位移曲线
Fig.10 Displacement curve of exhaust diaphragm
综上分析,先导排气电磁阀充气通径d1 越小,防滑阀由排气切换到保压的动作越慢, 当d1 过小时易导致防滑阀充气动作故障。 设计中需进行控制。
4.4 排气先导电磁阀排气通径d2 影响分析
由图11 可以看出,排气先导阀(MRV)的排气通径d2对排气效率影响明显,对充气阶段无明显影响。d2 越小,阶段排气量越小;当d2 降低至0.4mm 时,防滑阀无法实现阶段排气功能,原因为过小的排气通径d2 会导致控制腔室V1 的控制压力无法及时排除,排气膜片无法动作所致。

图11 不同排气口先导阀排气通径特性曲线
Fig.11 Characteristic curve of pilot valve at different exhaust ports
5 结论
采用AMESim 软件建立轨道交通车辆用防滑阀的仿真模型,仿真结果能够很好反映防滑阀的特性,与试验结果符合性好。
基于仿真模型,研究了防滑阀中排气阀(HV)部分的排气阀口通径、排气阀膜片弹簧初始压力、排气先导电磁阀充气通径、 排气先导电磁阀排气通径等关键参数变化对防滑阀动作性能的影响, 对防滑阀的设计及优化具有重要的指导作用。
通过对防滑阀结构参数变化的影响分析, 对于防滑阀的应用和故障问题处理具有很好的指导意义。



